
Одной из самых труднореализуемых задач в конструировании радиолюбительской аппаратуры связи всегда была разработка и наладка частотозадающего оборудования. Радиолюбителям для работы в эфире выделены достаточно узкие полосы частот, да ещё и тонко «порезанные» изнутри на участки с разрешёнными видами модуляции. Работа на передачу за пределами разрешённых диапазонов радиолюбителям разрешена только в исключительных случаях, например, при спасении терпящих бедствие.
Из этого следует, что ещё до переключения в режим передачи нужно быть уверенным в том, что сигнал передатчика не выходит за границы разрешённого диапазона, в момент переключения режимов не будет «сдвига частоты», а во время передачи не произойдёт её «выбег». В современном мире все эти условия выполняются применением аппаратуры с кварцевой стабилизацией частоты. Не является исключением и представленный в публикации трансивер.
Все части цикла статей о создании любительской радиостанции:
▍ Генератор плавного диапазона трансивера
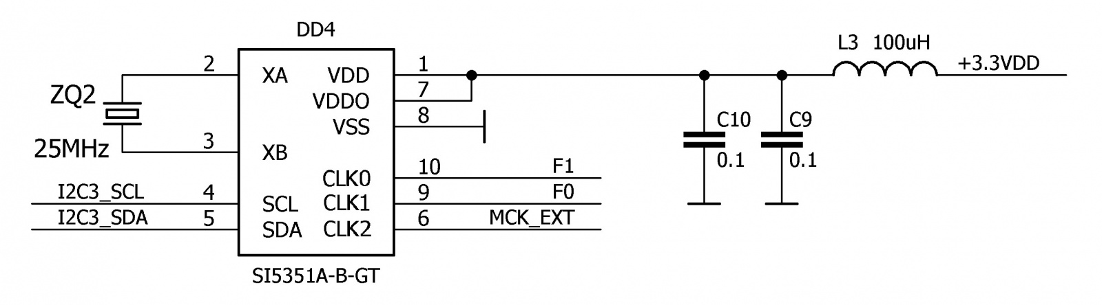
Генератор плавного диапазона (ГПД, VFO) трансивера Selenite Lite реализован на микросхеме синтезатора частоты Si5351A-B-GT. В качестве частотозадающего элемента использован кварцевый резонатор 25000 кГц. С выхода синтезатора CLK2 сигнал с частотой 24576 кГц подаётся на тактовый вход микроконтроллера. С выходов CLK0 и CLK1 на смесители приёмной и передающей частей трансивера подаётся квадратурный сигнал гетеродина, где сигнал на выходе CLK0 сдвинут на 90° по фазе относительно сигнала на выходе CLK1.

Схема предельно проста и содержит всего пять компонентов, из которых три (дроссель и два блокировочных конденсатора) относятся к цепям питания.
Большинство разработчиков в цепях питания микросхем Si5351A в корпусе MSOP-10 обычно оставляют только один блокировочный конденсатор. Желание сэкономить, конечно, похвально, но при разработке цифровых устройств не стоит упускать тот факт, что микросхемы, содержащие PLL, являются источником мощных помех по цепям питания. Поэтому на плате и установлено по блокировочному конденсатору на каждый вывод питания, а также сделана развязка по питанию микросхемы через дроссель.
▍ Формирователь квадратурного сигнала на Si5351A-B-GT
Теперь заострим внимание на том, что с квадратурным сигналом гетеродина на выходах CLK0 и CLK1 не всё так просто, как может показаться.

Минимальная частота, на которой мы реально наблюдаем осциллографом квадратурный сигнал на выходах CLK0 и CLK1, находится в районе 1500 кГц. Согласно официальной документации на микросхему Si5351 это невозможно, и сейчас объясню почему.
Чтобы сформировать на одном из пары выходов синтезатора Si5351 сигнал с фазовым сдвигом 90° относительно другого, надо записать в соответствующий регистр этого выхода целочисленное значение от 4 до 127 при условии, что частота выходных сигналов этой пары равна частному рабочей частоты PLL и этого целочисленного значения. Наименьший фазовый шум выходных сигналов обеспечивается при чётных значениях делителя.
Согласно официальной документации PLL синтезатора Si5351 работает в диапазоне частот от 600 до 900 МГц. Берём нижнюю границу этого диапазона и делим 600 МГц на 127. В результате получаем нижнюю границу частот «квадратурного» гетеродина, равную 4.724 МГц. Это, в принципе, неплохо: мы «перекрываем» все любительские КВ-диапазоны кроме 160 и 80 м, а также вещательные диапазоны от 60 м и выше.
Но лучшее – враг хорошего, а энтузиазм – непобедим. Радиолюбители экспериментальным путём определили, что потенциал микросхем Si5351 их разработчиками был раскрыт не полностью. Оказалось, что нижнюю границу диапазона рабочих частот PLL этих микросхем можно сдвинуть до значения 380 МГц. Что, кстати, справедливо и для китайских аналогов MS5351M, отличить от оригинальных которые можно по маркировке на корпусе «5351M».
Таким образом, нижняя граница частот квадратурного гетеродина на Si5351 понизилась уже до 3.2 МГц. Это позволило «открыть» любительский диапазон 80 м, а также вещательные диапазоны 90 и 75 м.
Это было только начало, дальше – больше. Оказалось, что нижнюю границу диапазона рабочих частот PLL микросхем Si5351 «rev. B» возможно опустить ещё ниже! Она для этой версии кристалла составляет 189 МГц, и это позволяет получить на выходах синтезатора квадратурный сигнал на частотах не ниже 1.49 МГц.
Для применения в данном трансивере нужно заказывать микросхемы типа Si5351A-B-GT или Si5351A-Bxxxxxx-GT и знать, что они имеют на корпусе ту же маркировку «5351», что и не формирующие квадратурный сигнал на частотах ниже 3.2 МГц микросхемы Si5351A-A-GT, и что буква «B» ниже надписи «5351» относится к номеру партии.
▍ Формирователь квадратурного сигнала на счётчике Джонсона
Помимо способа, рассмотренного выше, квадратурный сигнал на выходе гетеродина можно получить с помощью двух триггеров, включённых по схеме счётчика Джонсона. Решение это считается «классическим»: оно и простое, и надёжное, и с очень низким уровнем фазового шума. Едва ли не единственным недостатком этого решения является необходимость подачи на вход такого формирователя сигнала с частотой, в четыре раза превышающей рабочую.

На рисунке выше приведён пример реализации формирователя квадратурного сигнала на счётчике Джонсона. Широкополосный высокочастотный трансформатор служит для гальванической развязки с гетеродином.
Согласно официальной документации двойной D-триггер SN74ACT74 производства TI гарантированно работает на частотах ниже 125 МГц. При подаче на такой формирователь сигнала от любого источника с дискретным выходом можно без подбора микросхем сформировать квадратурный сигнал в диапазоне от нуля до 31 МГц, что «перекрывает» не только все любительские и вещательные КВ-диапазоны, но и диапазоны средних (СВ), длинных (ДВ) и сверхдлинных (СДВ) волн.
▍ Когда синтезаторы частоты были очень большие
Теперь вернёмся в те времена, когда наличие цифровой шкалы в любительском трансивере считалось шиком, а синтезаторы частоты были только в военной аппаратуре связи.

На рисунке выше изображён блок синтезатора частоты «1-ОВ» из состава радиостанции Р-140М и приёмника Р-155П. В качестве опорного генератора в этом синтезаторе применялся легендарный «Гиацинт-М».
Попытки создать радиолюбительский синтезатор частоты предпринимались, конечно, и в советское время, но проще и дешевле тогда получалось собрать и наладить генератор плавного диапазона с «параметрической» стабилизацией частоты, хоть и это тоже было непростой задачей.
Хорошую пошаговую инструкцию по прохождению всех кругов ада по сборке и наладке многодиапазонного ГПД дал в своё время Яков Семёнович Лаповок (UA1FA) в своей, несомненно, «культовой» книге «Я строю КВ-радиостанцию». «Параметрическая» стабилизация LC-генератора плавного диапазона, описанного в книге, обеспечивалась тщательным подбором каждого из компонентов.

Сначала изготавливалась катушка индуктивности. Она моталась толстым серебрённым проводом на керамическом основании, проклеивалась клеем БФ-2 и «пропекалась» в духовке для полимеризации клея.
Параллельно катушке подключался конденсатор переменной ёмкости (КПЕ) и целая гроздь других конденсаторов, которые подбирались так, чтобы изменение индуктивности катушки за счёт температурной деформации компенсировалось изменением ёмкости этих конденсаторов за счёт их ТКЕ (температурного коэффициента ёмкости).
Подбор конденсаторов методом «тришкиного кафтана» мог занимать дни и недели. Соответственно, выполнить эти работы быстро и качественно мог только опытный радиолюбитель, у которого на руках был или хороший контрольный приёмник типа Р-250, или электронно-счётный частотомер, например, Ч3-34.

Со «сдвигом частоты» при переключении приём-передача боролись фильтрацией питания и буферизацией выхода гетеродина. Это помогало, но не всегда. Например, ни в классическом «Радио-76», ни в его модернизированной версии «Радио-76М2» избавиться от «сдвига частоты» так и не удалось.
«Прогретый» буферизированный термокомпенсированный генератор плавного диапазона с качественным электропитанием «выбега» частоты, как правило, не давал.
▍ …тем временем, но в другом измерении…
В параллельной Вселенной трансиверов прямого преобразования подобные ГПД смотрелись достаточно чужеродно. У аппаратуры прямого преобразования перед супергетеродинными схемами всегда было одно-единственное, но очень важное преимущество, а именно, простота. Тем не менее требования к качеству излучаемого сигнала для всей любительской аппаратуры едины, и для их выполнения в простой аппаратуре приходилось применять несколько хитрых трюков.
Простые трансиверы прямого преобразования и сейчас чрезвычайно популярны для работы радиотелеграфом (CW) и обычно имеют выходную мощность меньше 10 Вт (QRP), а зачастую и меньше 1 Вт (QRPP). Вклад в «загрязнение эфира» побочным излучением при подобных мощностях полезного сигнала ничтожен.
«Стабильность» в подобных конструкциях достигалась зачастую использованием в качестве ГПД кварцевого генератора, перестраиваемого в небольших пределах телеграфного участка любительского диапазона включённым последовательно кварцевому резонатору КПЕ.

Подобное схемное решение гетеродина приведено на поразительно «атмосферном» рисунке из публикации пермского радиолюбителя Кирилла Циберкина (UF8F) aka kbtsiberkin.
Та же тенденция, но уже без перестройки задающего генератора, наблюдалась и в простейшей аппаратуре SDR. Частота гетеродина определяла «центральную частоту» диапазона, а ширина диапазона определялась частотой дискретизации звуковой карты, к входу которой была подключена такая SDR-радиостанция.
▍ От автора
Создать и наладить гетеродин, отвечающий всем требованиям к качеству передаваемых любительской радиостанцией сигналов, всегда было задачей непростой. Наладка генератора с «параметрической» стабилизацией, особенно обеспечение его температурной стабильности, требовала наличия дорогой и дефицитной аппаратуры и отнимала много времени.
Качественно ситуация с частотозадающим оборудованием любительской аппаратуры изменилась с появлением недорогих интегральных синтезаторов частоты. Несомненным достоинством этих замечательных устройств является то, что их стабильность определяется характеристиками подключённого кварцевого резонатора или генератора, а также тем, что они обеспечивают плавную перестройку в широком диапазоне частот, и ещё тем, что они, как правило, управляются по какому-либо стандартному интерфейсу типа I2C или SPI.
Удобство применения в аппаратуре SDR микросхем синтезаторов частоты заключается ещё и в том, что смесители по схеме Тэйло управляются дискретными сигналами. Это означает, что в такой аппаратуре можно применять синтезаторы с выходом типа ТТЛ или КМОП.
Квадратурный сигнал с фазовым сдвигом 0° и 90° может быть сформирован как самой микросхемой синтезатора, так и внешним формирователем по схеме счётчика Джонсона.
В следующей части публикации речь пойдёт о «цифровой» части конструкции трансивера Selenite Lite и его предельно простом передающем тракте.
Подробные описания большей части функциональности «цифровой» части устройства публиковались мной ранее, поэтому акцент будет сделан на аппаратной части и психологических аспектах самообучения программированию микроконтроллеров в возрасте пятидесяти лет и старше.
Схема электрическая принципиальная, перечень элементов и рисунок печатной платы SDR-трансивера Selenite Lite содержатся в документе «Selenite Lite User Manual», расположенном в репозитории проекта «Selenite Lite».
Больше информации о проекте можно найти в некоммерческом telegram-канале «Проект «Селенит».
72/73! de RD9F
Источники:
1. Лаповок Я.С. Я строю КВ-радиостанцию – М: ДОСААФ, 1983
2. Hans Summers. Modern QRP Rigs and the Development of the QCX CW Transceiver Kit – QRP Labs, 2018
Автор: Дмитрий Руднев
