
В каждой конструкции есть какое-либо основополагающее решение. Разработанный в рамках проекта трансивер Selenite Lite – не исключение. Основой радиоприёмного тракта разработанного устройства является смеситель по схеме Тэйло (Tayloe detector). Принцип действия этого замечательного устройства был защищён патентом США US6230000 от 08.05.2001. Заявку на патент подавала в конце 1998 года компания Motorola, где и трудился в то время инженер Daniel Richard Tayloe (N7VE).
Далее мы ознакомимся с принципом действия этого решения. Разберёмся, чем «детектор» принципиально отличается от «смесителя», и является ли «Tayloe detector» детектором.
Все части цикла статей о создании любительской радиостанции:
▍ Смеситель радиоприёмного тракта трансивера Selenite Lite

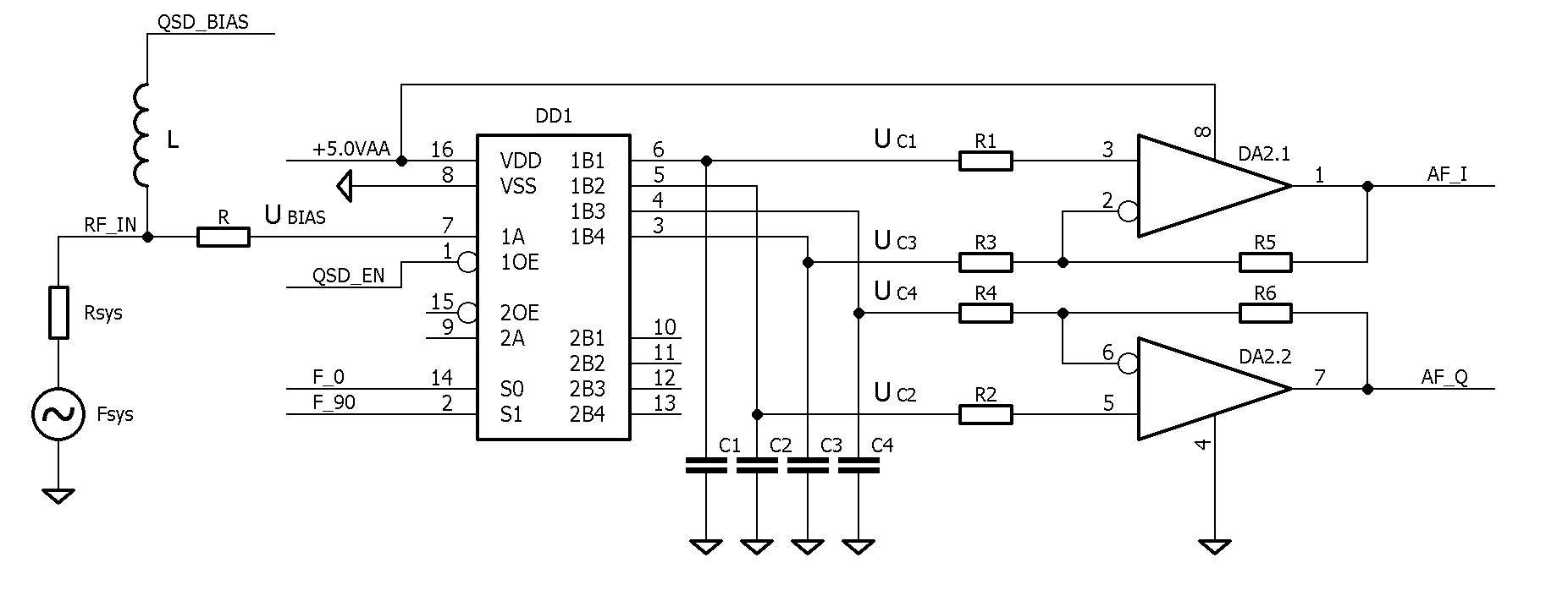
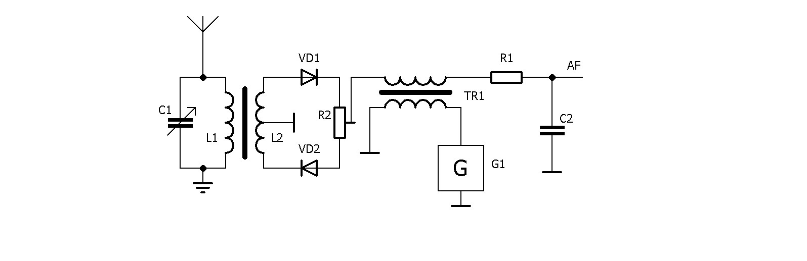
Смеситель радиоприёмного тракта реализован на двух микросхемах: мультиплексоре-демультиплексоре DD5 типа SN74CBTLV3253PW и двойном операционном усилителе (ОУ) DA1 типа TS972IDT. Напряжение питания микросхем +3.3 В.
Радиочастотный (РЧ, RF) сигнал с широкополосного балансного трансформатора TR1 подаётся на выводы 1A и 2A микросхемы DD5 в «противофазе». Переключение каналов мультиплексора производится сигналами квадратурного гетеродина, поданными на входы S0 и S1. При отставании сигнала F_Q на 90° по фазе от сигнала F_I на входы верхнего по схеме ОУ будут поступать сигналы со сдвигом фаз 0° и 180° относительно фазы сигнала РЧ на входе смесителя, а на входы нижнего ОУ – 90° и 270°. В результате на выходах ОУ появляются сигналы звуковой частоты (ЗЧ, AF), сдвинутые по фазе относительно друг друга на 90°.
▍ Приключения шинного переключателя
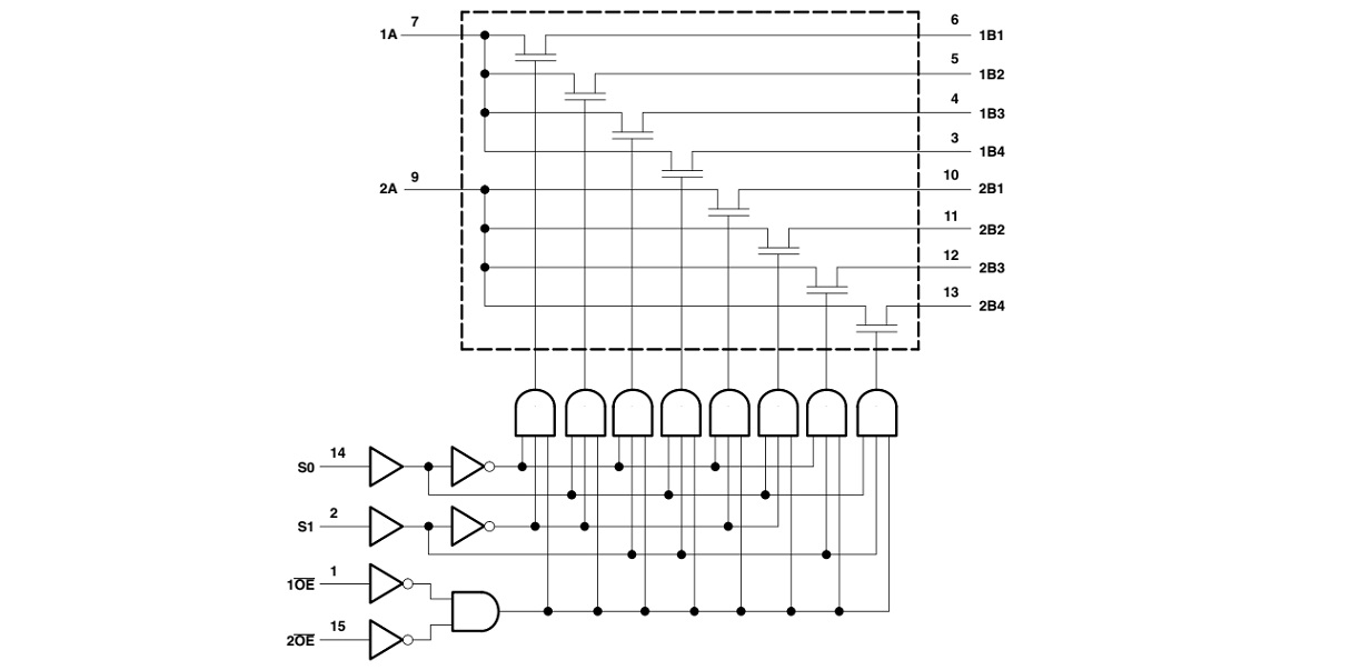
Микросхемы с номером «3253» в названии имеют общего «предка» – шинный переключатель FST3253, представляющий собой двойной мультиплексор-демультиплексор 1:4 с низким активным сопротивлением открытого канала.
Мультиплексоры-демультиплексоры называются так потому, что они, как мультиплексоры, подключают в зависимости от состояния управляющих сигналов один из «входов» к «выходу», но образующийся при этом канал является «двунаправленным», т.е. при этом ещё и реализуется функция «демультиплексора» (дешифратора).

«Двунаправленность» мультиплексоров-демультиплексоров обеспечивается тем, что между «входами» и «выходами» этих микросхем включены каналы МОП-транзисторов, работающих в режиме управляемого активного сопротивления. В открытом состоянии канал имеет низкое активное сопротивление порядка единиц Ом, а в закрытом состоянии сопротивление канала настолько высоко, что, по сути, канал представляет собой разрыв линии.
Само собой разумеется, что микросхема FST3253 разрабатывалась для коммутации сигналов «логического» уровня. При применении мультиплексора-демультиплексора для коммутации аналоговых сигналов открытый канал МОП-транзистора при подаче на него сигнала отрицательной полярности будет запираться. Для предотвращения такой «отсечки» отрицательной полуволны входного сигнала на одну из сторон канала (обычно, на «выход») подаётся напряжение смещения (обычно, половина напряжения питания). На схеме смесителя это цепь QSD_BIAS.
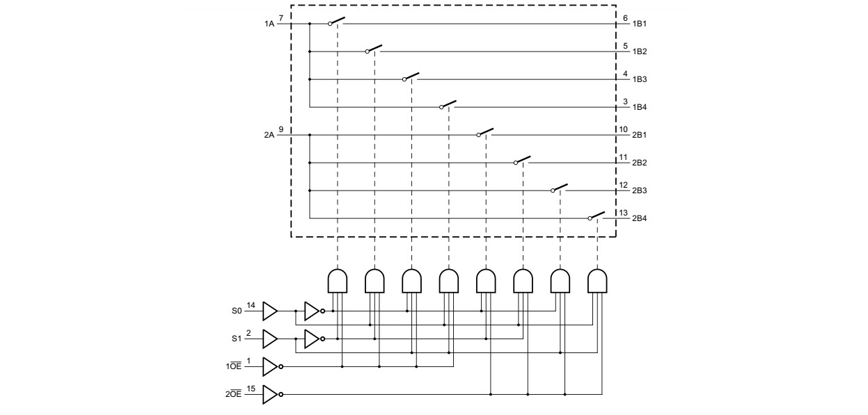
С рядом допущений канал коммутации мультиплексора-демультиплексора можно считать «идеальным» механическим ключом с высоким быстродействием и отсутствием «дребезга контактов».

Именно в таком качестве он и применён в смесителе по схеме Тэйло.
▍ Dan Tayloe про свой «детектор»
Работа смесителя по схеме Тэйло описана в нескольких англоязычных работах. Здесь мы обратимся к публикации самого Dan Tayloe «Ultra Low Noise, High Performance, Zero IF Quadrature Product Detector and Preamplifier». Отметим, что на английском рассматриваемое в данной публикации схемное решение именуется или как «Tayloe detector», или как «Quadrature Sampling Detector» (QSD). Отметим ещё и тот факт, что сам Dan Tayloe в публикации охарактеризовал свою схему не как «смеситель» (mixer), а как «переключаемый интегратор» (switching integrator).
На рисунке ниже представлена схема Тэйло в «классическом» варианте без балансного трансформатора на входе и второй, балансной, «половинки»:

На вход RF_IN подаётся сигнал АМ с частотой несущей, равной частоте сигнала квадратурного гетеродина на входах F_0 и F_90. На выходе AF_I формируется «синфазный» сигнал ЗЧ, а на выходе AF_Q – «квадратурный».
Далее Dan Tayloe объясняет принцип действия своего «переключаемого интегратора» на следующем графике, где UCX – напряжение на конденсаторе CX, UBIAS – напряжение смещения на входе QSD:

Каждый из конденсаторов C1…С4 подключается к источнику сигнала РЧ на четверть цикла тактового сигнала гетеродина. При показанном на графике сдвиге фаз между входным сигналом и сигналом гетеродина напряжение на конденсаторах C2 и C4 будет приблизительно равно напряжению смещения UBIAS. Разность напряжений на конденсаторах C1 и С3 будет приблизительно равна двойному амплитудному значению входного сигнала.
Эквивалентная схема цепи заряда конденсатора представлена на рисунке ниже:

где Rsys – эквивалентное сопротивление источника сигнала, а Rs – переходное сопротивление открытого канала коммутации. В приведённых в публикации расчётах автор полагает Rsys = 50 Ом, а сопротивлением R и Rs пренебрегает.
В цепи прохождения сигнала нет ни одного нелинейного элемента. Потери сигнала, согласно публикации, составляют не более 0.9 дБ. В связи со всем вышеперечисленным, «переключаемый интегратор» Тэйло обладает высокой линейностью, чувствительностью и перегрузочной способностью.
▍ Генри Петрович Петин про «синхронный ключевой детектор»
Самым удивительным открытием при погружении в тему SDR для меня стал тот факт, что в разных источниках принцип действия смесителей, подобных схеме Тэйло, описывается разными моделями.
В англоязычных источниках просто-напросто делают перепечатки из вышеприведённой статьи и патента US6230000, и никто не обращает внимания, что выводы в статье сделаны на основании частного случая синхронной работы смесителя, когда сдвиг фаз между сигналом АМ на входе и сигналом гетеродина такой, что на выходе AF_I присутствует максимум переменной составляющей демодулированного сигнала, а на выходе AF_Q – ноль. При этом отметим, что в схеме Тэйло цепей синхронизации гетеродина нет.
Идея применения «ключей» для демодуляции сигналов не нова. Ещё в 1984 году В.Т. Поляков опубликовал схему своего легендарного синхронного приёмника АМ на «ключах» К176КТ1, но при этом дал описание принципа действия применённого там смесителя только «на пальцах», без «математики». Зато Г.П. Петин в своей публикации в 2003 году в №3 журнала «Схемотехника» даёт уже для анализа подобных решений хоть какой-то математический аппарат.
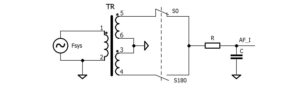
Описываемый в публикации Петина «синхронный ключевой детектор» состоит из двух «идеальных» ключей с высоким быстродействием и отсутствием «дребезга контактов», которые коммутируют противофазный входной сигнал АМ на интегрирующую RC-цепочку.

На рисунке выше приведена слегка видоизменённая эквивалентная схема примера из данной публикации. «Опорный» сигнал, управляющий ключами, синхронизирован с несущей входного сигнала АМ. Ключ S0 замкнут в момент прохождения положительной полуволны по «синфазной» обмотке трансформатора, а ключ S180 – по «противофазной». Пульсации сглаживаются RC-фильтром НЧ.
Работу «синхронного ключевого детектора» при сдвиге фаз = 0° между «опорным» и принимаемым сигналами можно представить следующим графиком:

Наблюдаем на графике, по сути, «двухполупериодное выпрямление» входного сигнала «линейными» ключами. Напряжение на выходе описываемой схемы прямо пропорционально амплитуде входного сигнала и равно .
Принцип действия и напряжение на выходе не изменится, даже если изменить скважность «опорного» сигнала как в схеме Тэйло:

Если теперь сдвинуть «опорный» сигнал по фазе на 90°, получим на выходе ноль. На основании этого можно сделать предположение, что «ключевой детектор» является не только амплитудным, но ещё и фазовым, а напряжение на выходе схемы можно выразить как:
где – сдвиг фазы «опорного» сигнала относительно входного.
Теперь, если взять для управления схемой «ключевого детектора» квадратурный сигнал как в схеме Тэйло, и добавить к схеме ещё один канал, управляемый «квадратурной» составляющей этого сигнала, то получим квадратурный «ключевой детектор», выходные сигналы которого можно выразить через Uc и следующим образом:
В самом простом случае сигнал «квадратурного» выхода можно использовать как входной сигнал ФАПЧ для синхронизации детектора, как это сделано, например, в синхронном приёмнике Полякова. В более сложных случаях по рядам значений UAF_I и UAF_Q можно с помощью вычислений демодулировать практически любой сигнал.
▍ Детектор? Нет? Вот в чём вопрос
Согласно трудам кандидата технических наук Г.П. Петина схему Тэйло можно рассматривать как частный случай описанного в его публикации «синхронного ключевого детектора». Сам Dan Tayloe характеризует свою схему как «переключаемый интегратор». Кандидат технических наук В.Т. Поляков в своих книгах о технике прямого преобразования какого либо математического аппарата для «ключевых детекторов» не даёт, там есть только пара примеров использования полевых транзисторов в смесителях, и утверждение, что это перспективно. Зато в этих книгах есть вся нужная нам «математика».
Сначала разберём разницу между «детектором» и смесителем гетеродинного приёмника по терминологии публикаций В.Т. Полякова. Наиболее простым и доступным языком об этом сказано в «Радиоежегоднике» за 1988 год в статье «Гетеродинный приём».

Поляков делает акцент на том, что «классический» диодный амплитудный детектор, изображённый в левой части рисунка, осуществляет перенос спектра АМ сигнала РЧ в область ЗЧ за счёт нелинейности вольт-амперной характеристики (ВАХ) диодов, представленной в правой части рисунка выше.
На входе схемы присутствует сигнал РЧ:
При упрощённом представлении ВАХ диода через ряд:
где S – величина, обратная внутреннему сопротивлению диода в рабочей точке (крутизна характеристики), a T – кривизна характеристики, подставляем u в формулу выше и получаем:
Токи РЧ с частотой и
отфильтровываются блокировочным конденсатором, и на согласованном сопротивлении нагрузки R = 1/S получаем:
Как мы видим из формулы, напряжение полезного сигнала на выходе схемы амплитудного диодного детектора зависит от квадрата амплитуды сигнала РЧ на её входе. Схемы амплитудного диодного детектора имеют низкую чувствительность и не обладают свойством линейности.
В гетеродинных приёмниках перенос спектра сигналов РЧ в область ЗЧ производится схемами смесителей путём перемножения сигнала РЧ и сигнала гетеродина. Простейший гетеродинный приёмник можно сделать из простейшего детекторного, добавив туда гетеродин:

Добавление гетеродина меняет всю «физику» работы диода. До этого он «открывал» себя сам сигналом «обнаруженной» несущей и переносил спектр сигнала РЧ в ЗЧ за счёт наличия нелинейного участка ВАХ. Теперь на диод подаётся не только сигнал РЧ, но и сигнал гетеродина с уровнем UГ, подобранным так, чтобы «рабочая точка» диода находилась на линейном участке его ВАХ.
В результате имеем на выходе сумму «продетектированных» сигналов гетеродина и РЧ, а также линейно зависящий от амплитуды входного сигнала РЧ сигнал «биений частот» входного сигнала и сигнала гетеродина:
От постоянной составляющей, которая не несёт никакой информации о частоте принимаемого сигнала, избавляемся применением балансной схемы смесителя:

Подбором уровня сигнала гетеродина и балансировкой «плеч» смесителя добиваемся того, что перенос спектра принимаемого на частоте гетеродина модулированного сигнала в область звуковых частот производится только за счёт умножения этого сигнала на сигнал гетеродина.
Полученный смеситель, всё равно, «идеальным» не является, поскольку «детектирующие» свойства диодов в этом смесителе никуда не исчезают и начинают проявляться, например, при «забитии» сигнала гетеродина мощным сигналом расположенной недалеко от частоты приёма вещательной радиостанции. Эффект «забития» проявляется в том, что приём осуществляется не на частоте гетеродина, а на частоте «забивающего» сигнала, и гетеродинный приёмник из-за этого начинает работать как детекторный.
Рассмотренные выше схемы на ключевых элементах, как бы они не назывались авторами, нелинейных элементов в цепях прохождения сигнала не содержат и недостатков диодного смесителя за счёт этого лишены. И поскольку начинал свою радиолюбительскую карьеру я с книг Полякова, то стараюсь в этой публикации «Tayloe detector» «детектором» не называть.
▍ От автора
Смесители на МОП-транзисторах в режиме «управляемого активного сопротивления» имеют высокую линейность, низкий уровень собственных шумов, а также обеспечивают низкий уровень затухания при прохождении сигнала.
Несомненным плюсом применения в смесителях микросхем мультиплексоров-демультиплексоров является низкий разброс параметров МОП-транзисторов в составе этих микросхем, что значительно упрощает процесс их балансировки. Ещё одним плюсом является простота управления этими микросхемами сигналами генераторов с цифровыми выходами.
В следующей части публикации речь пойдёт о частотно-избирательных свойствах смесителей по схеме Тэйло и согласовании диапазонных полосовых фильтров со смесителями подобного типа.
Схема электрическая принципиальная, перечень элементов и рисунок печатной платы SDR-трансивера Selenite Lite содержатся в документе «Selenite Lite User Manual», расположенном в репозитории проекта «Selenite Lite».
Больше информации о проекте можно найти в некоммерческом telegram-канале «Проект «Селенит».
72/73! de RD9F
Источники
1. Dan Tayloe. Ultra Low Noise, High Performance, Zero IF Quadrature Product Detector and Preamplifier
2. Hans Summers. Modern QRP Rigs and the Development of the QCX CW Transceiver Kit – QRP Labs, 2018
3. Петин Г.П. Ключевой синхронный детектор – Схемотехника, 2003, №3, с.14…15
4. Поляков В.Т. Гетеродинный приём – Радиоежегодник, 1988, с.16…38
5. Поляков В.Т. Синхронный АМ приёмник – Радио, 1984, №8, с.31…34
Автор: Дмитрий Руднев
