Внимание! Повторение описанного устройства без отличного понимания правил безопасности при работе с высокими напряжениями (1000В) опасно для жизни!
Теперь можно начинать.
Неодимовые магниты бывают разными. Не только по форме и размерам, но и по ориентации и конфигурации собственно намагниченности. Даже простые формы вроде цилиндра могут быть намагничены как вдоль, так и поперёк (ну или какой-нибудь козебякой, если кому-то нужно). Вот картинка, честно скачанная у производителя из гугла:

Это всё хорошо, но что нам-диайвайщикам с того - уж какой ориентации магнит на заводе сделали - такой и будет, просто заказывайте нужные, правда же? Да, но у меня ведь есть ведро магнитов от жестяков! Может их тоже можно пустить на что-нибудь интересное?

У этих магнитов есть одна особенность - их половинки намагничены в противоположные стороны. Иногда это даже удобно, но для некоторых применений они в таком виде совершенно не годятся.

У меня было несколько таких применений на уме (можно подождать перевода следующей статьи или уже сейчас заглянуть в неё на Medium), и я начал размышлять о создании своего аппаратуса для намагничивания. В теории всё выглядит просто: заготовку нужно погрузить во внешнее магнитное поле, ориентированное в желаемом направлении, и при том достаточно сильное для "переворачивания" магнитных доменов. На практике сложность состоит в том, что для NdFeB это "достаточно сильное" лежит где-то в области 2 Тесла. Не так уж много есть практических путей создания таких полей, но самый простой - это, конечно, электромагнит. Обычно электромагниты (типа тех что удерживают двери подъездов, например) потребляют не такие уж и большие мощности. Но это только потому, что большую часть тяжёлой работы делает в них железный сердечник с его большим и толстым μ. Однако же, железо перестаёт хорошо работать и μ его сильно падает для полей выше 1Т. Да и некоторых других проблем с вариантом использования сердечника тоже хватает. Так что мы остаёмся с "воздушной катушкой", в которой всё поле создаётся исключительно током в обмотке. Величина этого тока, для достижения желаемой напряжённости поля, определяется геометрией катушки. Для магнитов из жестяков нам нужен соленоид диаметром ~50мм и примерно такой же длины. Присыпав задачу некоторым количеством формул, которые я оставлю для другой статьи, найдём, что нам нужно пропустить ток порядка 10кА через 20 витков катушки. Нет, это не суммарный ток всех витков, а ток в каждом из них. Нет, вам не показалось, 10кА - это действительно довольно много. В квартире у вас вероятно стоят автоматы на 25А, для сравнения. И если мы не хотим чтобы катушка была одноразовой, нам придётся сильно ограничить время прохождения таких токов через неё. В нашем случае вполне сообразным задаче будет время в 1/1000 секунды.
Но на этом технические требования не заканчиваются. Если бы вопрос был только в величине тока, то что то типа аппарата контактной сварки решило бы проблему. Но создавая поле вокруг катушки мы имеем дело ещё и с энергией этого поля, которую нужно через катушку закачать. Тут речь идёт о величинах порядка 1000Дж. Не то чтобы это было уж очень много, но это означает, что при токе 10кА для заливки 1000Дж за 1мс нужно напряжение в 100В. А если добавить некоторые упущенные коэффициенты, потери и прочие нюансы, то выйдет скорее 500В. А 500В х 10кА это уже 5МВт, на секундочку. Not great, not terrible, как говорится, но на масштаб сельской подстанции тянет.
Может быть такие цифры заставили бы робкого инженера затею бросить, однако объективно ничего очень уж космического тут нет. Начнём с накопителя энергии. В электролитический конденсатор 470мкФ х 400В можно заправить 38Дж. 9шт таких дают уже 340Дж и вот они:

Можно было бы их соединить "змейкой" на общую толстую шину, но там есть свои сложности, связанные с равномерным распределением тока между индивидуальными конденсаторами. Проще нарезать кусочки проводов равной длины к каждому из конденсаторов и уложить их, попытавшись создать некоторую звездообразную симметрию. Теперь нам понадобится 4 таких блока для достижения 1400Дж в сумме.

Блоки удобно собрать в стопку с помощью стоек из резьбовых шпилек, щедро сдобренных гайками.

Второй важнейший компонент поможет нам быстро скоммутировать заряженные конденсаторы на катушку в 5-мегаваттном импульсе. Для этого мы возьмём жЫрненький тиристор. Конкретно этот умеет 250А в среднем и 6кА в импульсе (но на самом деле, и чуть больше тоже, если импульс короткий).

Соединим всё это хозяйство шинами из толстой медной фольги и добавим "обратноходовый" диод параллельно катушке.

Четыре конденсаторных блока соединены параллельно-последовательно 2х2 для достижения общего напряжения 800В. При правильном согласовании с катушкой, увеличивая рабочее напряжение мы можем уменьшить коммутируемый ток, чем облегчаем режим работы тиристора.
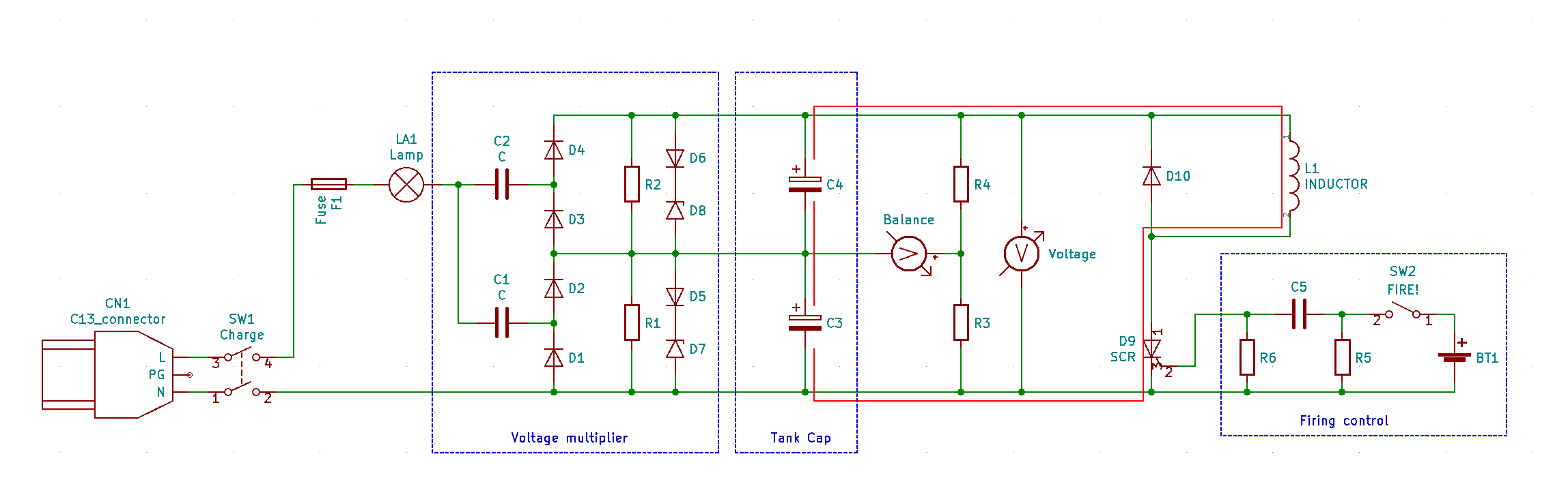
Теперь нужно добавить цепи зарядки конденсаторов и управление тиристором. В процессе экспериментов у меня было несколько вариаций схемы, но общая идея примерно такова:

Конденсаторы тут заряжаются с помощью умножителя напряжения напрямую от сети (!!ОЧЕНЬ ОПАСНО!!). Тиристор же триггерится кнопкой от отдельного литиевого аккумулятора. При работе с такой схемой нужно помнить, что во время зарядки (ключ SW1 замкнут) все компоненты схемы, включая катушку, имеют гальваническую связь с сетью!
Умножитель напряжения собран на диодах D1-D4 и плёночных высоковольтных конденсаторах C1, C2. Лампа накаливания LA1 на 60Вт подключена последовательно для ограничения тока зарядки. Диоды-сапрессоры D7, D8 являются примитивным средством выравнивания напряжений заряда на двух половинах конденсаторного блока. Для наблюдения за тем, насколько эти два напряжения выровнены, служит вольтметр Balance. Обратноходовый диод D10 предотвращает переполюсовку электролитов накопителя на второй четверти цикла колебаний в LC цепи. Кнопка разряда SW2 подаёт короткий отпирающий импульс на тиристор через конденсатор C5 (пару мкФ). Ещё добавлю, что в моей фактически испытанной имплементации нулевой контакт SW1:2 был соединён со средней точкой накопителя для обеспечения симметрии работы умножителя. Но тогда потенциалы на управляющей цепи тиристора могут быть ещё более небезопасными. В общем, решение Q&D и ещё требует доработки.
Теперь коротенько, секунд на сорок, обзор того что вышло в одной из промежуточных имплементаций.
Для демонстрации я нагрел кусочек HDD магнита на газу до температуры кюри и полной потери человеческого вида намагниченности. Затем поместил эту заготовку внутрь катушки:

Теперь заряжаем электролиты:
А теперь.. Пли!
Да, NdFeB был успешно намагничен! Тем не менее, я не был уверен, что намагничивание получилось полным на этих параметрах и решил попробовать разряд с максимального рабочего напряжения 800В. Этого оказалось достаточно не только для полного насыщения магнитного материала, но и придало неожиданные ускорения брошенным рядом металлическим объектам. Кроме того, пострадала сама катушка:


В общем, результат получился воодушевляющим но теперь мне понадобилось редизайнить катушку для достижения большей механической прочности, что описано в отдельной статье. Можно подождать её перевода, или же сходить прям сейчас на Medium.
Ссылка на оригинал этой статьи на Medium.
Автор: Юрий Скворцов
