В предыдущей части мы узнали как собрать гамма-спектрометр. Научились правильно выбирать кристалл йодистого натрия и многие другие тонкости в этом спектрометрическом ремесле.
Дальше нам нужно построить свинцовый домик. Его задача изолировать спектрометр от внешнего природного фона.
Нам понадобится:
1. Вентиляционная оцинкованная труба диаметром 120 мм с заглушкой на одном из концов.
2. Латунная гильза калибром 76-мм для танковых пушек времен второй мировой войны. Год выпуска 1941. В идеале нам нужна медь, но латунь имеет в своем составе минимум 60 процентов меди, все остальное это цинк и возможные примеси.
3. Две крепкие массивные ручки для транспортировки свинцового домика. Вес у него будет немаленький.

Сам свинец нам подкинул один хороший знакомый, такие мелкие грузики используют для балансировки колёс на шиномонтаже. Единственный минус такого продукта, липкие наклейки на одной из сторон. Потому одеваем штаны и выбираемся на природу, нужно выпалить все лишнее и растопить благородный металл. Чем хороши подобные вылазки на природу, тут можно неплохо бухнуть, собственно чем мы и занимались в течении всего процесса.

В это время у нас готовится супец из свинца. Тут нужно вовремя снимать пену и прочий шлак, который находится сверху. Чем чище изначальные слитки, тем меньше мусора придется вылавливать. Нагреваем металл с небольшим запасом, и начинаем его поэтапную заливку в вентиляционную трубу. Нижний слой должен быть высотой примерно в 3 сантиметра. Важно заниматься подобными вещами в сухую солнечную погоду, намеки дождя недопустимы, иначе свинец запросто может плюнуть вам в лицо. Усвоили!
Сейчас в трубу необходимо установить и отцентровать с помощью шурупов, танковую 76 миллиметровую гильзу, и продолжить заливку стенок изделия горячим свинцом. После нескольких довольно скучных и повторяющихся процедур свинец у нас закончился. Общий вес изделия получился 23 килограмма. Покидая всеми любимые пикники не забываем пись-пись на костер. Транспортировав болванку домой, с помощью ножовки по металлу отрезаем все лишнее.

Итак, давайте вспомним картину фоновых импульсов, которую мы видели в процессе работы гамма спектрометра. Теперь смотрим что изменится.
Из практики. Слой однородного свинца толщиной 2 сантиметра уменьшает гамма-фон ровно в 10 раз, и это хорошо видно в программе Becquerel Monitor. Для кристалла йодида натрия размером 30*40 мм, количество импульсов вне домика будет ровняться 60-ти, а в домике всего 6-ти.

Наверняка многие зададутся вопросом, зачем столько мороки со свинцом!?
Это пример обычного фона, снятого с и без защиты. На спектре кажется, что тут импульсов не в десяток, а в сотню раз больше.Что касаемо бытовых дозиметров. Радиоскан 701 показывает фоновое значение 11 микрорентген, 2 сантиметра свинца понижает это значение до 7-ми.
Это есть норма, на производстве этих Радиосканов показывали целый бункер из свинцовых кирпичей, мне бы такой…

Гамма-спектрометр собран и настроен. Фотоумножитель запитан высоким напряжением, а на выходе операционного усилителя видим импульсы. Примерно 99 процентов из них должны укладывается по амплитуде в один вольт. Изредка будут проскакивать импульсы большой амплитуды, это космические частицы высоких энергий, которые долетают к нашему детектору. Все осциллограммы которые мы наблюдали в блоке детектирования показаны на этой схеме. Тут и распиновка ФЭУ 85-го, и единорог, в общем все как вы любите.

Продуктом всей ранее проделанной работы является сигнал, который необходимо обработать на компьютере. C помощью специальной программы разложить его на амплитудный спектр, по которому можно судить о том или ином радиоактивном изотопе в исследуемом образце.
Пришло время подключать гамма спектрометр к компу. Вставляем разъем в микрофонный вход. Некоторые для этих целей используют внешние звуковые карты типа Orico, но нужно учесть что у него разъем отличается распайкой.
Программная часть. В начале начал, нам необходимо зайти в меню звука. В настройках микрофона находим раздел улучшения. В нём нужно отключить все звуковые эффекты, которые могут мешать в дальнейшей работе. Так же тут можно послушать звук, который приходит на микрофонный вход. Убедимся что все работает.

Сейчас нам понадобится свинцовый домик. Для надежности на дне гильзы разместим медную пластину. Для чего нужно, и как проявляется рентгеновская флюоресценция свинца на спектре, мы рассмотрим чуть позже. А сейчас нам нужно раздобыть радиоактивный источник.
Самое простое что можно использовать, это старые выключатели или часы со светомассой постоянного действия на основе радия-226. Хранение такого говна дома является не совсем законным, потому данный экземпляр будет нести чисто демонстрационный характер, после чего я его съем. Шутка. Кладем этот адский образец неокрепших умов того времени на дно нашего домика, и опускаем туда гамма-спектрометр.

Сейчас наша задача правильно настроить программу, в которой будем заниматься обработкой спектров. Называется она Becquerel Monitor.
На этом моменте хочу высказать особую благодарность Евгению Соловьеву, который помог в настройке софта и простым языком объяснил многие процессы, происходящие в этом непростом ремесле. Он мастер йода блин! Многие фрагменты этого выпуска были подчёркнуты из его богатого опыта, и были переданы мне, юному падавану. Теперь он это я, я это вы, а вы это он!
Итак, для начала нажмем в программе кнопку старт, и запустим сбор спектра. От радиевых часов на входе звуковой карты будет довольно много импульсов, значит аппаратная часть работает. Собирать спектр сейчас бессмысленно, так как ничего не настроено. Остановим процесс кнопкой стоп.
В разделе меню инструментов, нам необходимо зайти в раздел «изменение конфигурации устройства». Тут создадим имя нашему гамма спектрометру «ФЕУ-85А, натрий йод 30 на 40». Справа видим раздел «основные». Тут нас интересуют два параметра. Первое это время измерения, по умолчанию тут стоит 3600 секунд, то есть один час, добавляем ноль и увеличиваем время до 10 часов. Количество каналов вместо трех тысяч устанавливаем 4-ре. Шаг канала не трогаем и оставляем как есть. В разделе «основные» на этом все, сохраняем установленные параметры.

Переходим в «настройки устройства», этот раздел можно считать основным. Аудио устройство у меня Realtek High Definition, оно встроено в материнскую плату. Частота дискретизации, чем больше, тем лучше. Ставим 192 тыс. герц. Разрядность выбираем 24 бита. Уровень сигнала — cтавим галочку «Автонастройка», и ползунком слева уменьшаем уровень сигнала примерно до 13 процентов, у вас значение может быть другим. Полярность устройства не трогаем. Нижний предельный порог подбирается индивидуально, у меня это значение выходит 0.7, верхний предельный порог оставляем как есть, 100. Порог по форме импульса, оптимальное значение 60 процентов.
Теперь, внизу видим отдельное окно «настройка образцовой формы импульса». В начале тут выставим значение НПП, оно должно быть выше уровня шума, подбирается индивидуально, у меня это 1. ВПП оставляем как есть, 100. Нажимаем кнопку старт, и программа начнет запись образцовых импульсов.
Обратим внимание на их форму, они довольно узкие и острые. Попробуем растянуть импульс на ширину окна. Для этого нам нужно изменить параметр ширины выборки, установим значение 32, и положение пика, поставим 16. Нажав кнопку записи можно заметить как изменился рисунок, импульс растянулся на все окно.
Теперь, что будет если параметр НПП будет ниже уровня шума? В принципе ничего хорошего, сигнал станет похож на какую-то кракозябру. Увеличим параметр НПП до 0.5 и посмотрим что изменится. Форма импульса стала красивей, но всё равно видим некоторые искажения на вершине. Не годится. Приемлемый результат был при значении в единицу. Соберем примерно 2 тысячи образцовых импульсов и сохраним их в программу. Отлично. Обновим конфигурацию устройства.

Старое полотно не годится для зарисовки очередного шедевра, его следует очистить. Запустим сбор нового спектра, и посмотрим что тут видно.
Светомасса постоянного действия в часах довольно активная, она дает выше двухсот импульсов в секунду. Уже примерно через 2 минуты на спектре можно наблюдать отдельные энергетические пики, которые соответствуют СПД радия, но энергии на шкале распределены не верно, посмотрим какое значение покажет нам последний пик. Ага 780 кэв, это много, Этот бугор должен соответствовать исключительно энергии 609 кэв. Вот незадача…

Чтоб исправить данную ситуацию, нам необходимо открыть окно «калибровки энергий». В нем видим три коэффициента, А, Б и С. Уменьшим значение коэффициента Б до такой степени, пока пик с энергией в 609 кэв не будет соответствовать такой же энергии в программе. Растянем спектр чтобы более детально рассмотреть, что и куда у нас смещается.
Сейчас это грубая настройка, она необходима для того, чтобы примерно понять на сколько отличается значение двух важных параметров. При хорошей настройке, канал по цифре должен приближенно соответствовать энергии. Если он будет больше, спектр будет собираться дольше, если меньше, энергетические пики будут не такими детализированными. В общем играясь с уровнем входного сигнала можно двигать спектр в большую или меньшую сторону по отношению к каналу. Всё это подстраивается индивидуально для каждого гамма-спектрометра. У меня данная настройка заняла примерно пол часа.
Включим логарифмический масштаб и растянем картинку. Тут можно видеть область максимальных энергий, которые способна обработать программа. Они соответствуют примерно 3-м с лишним мегаэлетронвольт. Космические кванты собственной персоной!
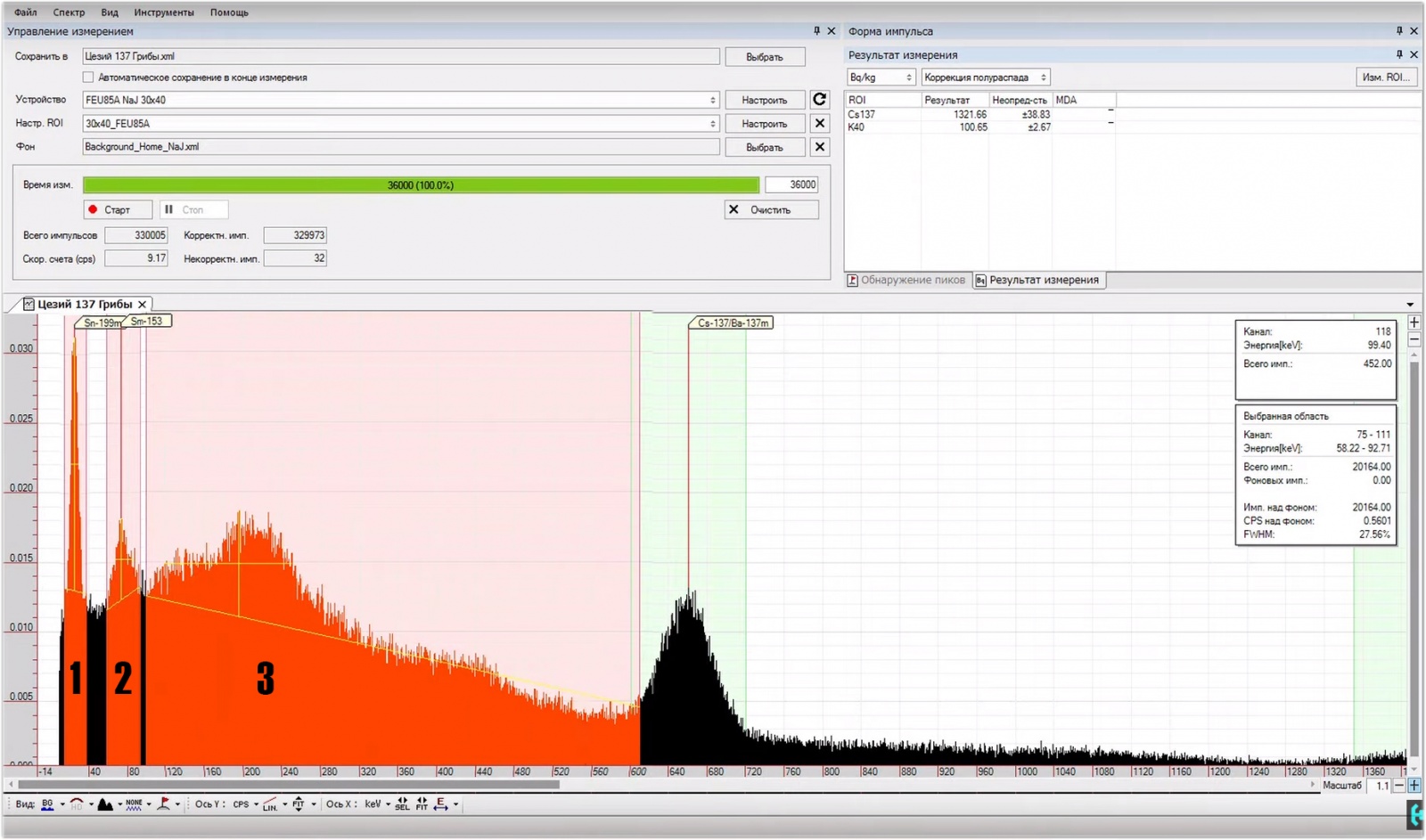
Точная калибровка спектра. Её принято проводить по источникам, которые имеют одиночные энергетические пики, в классике применяют цезий-137. Но, предлагаю вариант интересней, использовать вместе с цезием еще и калий-40. У нас выйдет картина, по которой можно довольно точно откалибровать наш спектр по трём пикам. Как это сделать? В окне под коэффициентами видим кнопку «многоточечной калибровки». Сейчас нам предлагают выбрать канал. Пойдем от меньшего к большему. Первый пик это рентгеновская флюоресценция бария в исследуемом образце с цезием-137, второй пик соответствует самому радиоактивному изотопу цезия-137. Третий бугор это калий-40. Где взять такие источники расскажу чуть позже. А пока в списке сверху необходимо подкорректировать значения с энергиями.
Для рентгеновской флюоресценции бария это 32 кэв, для цезия 137 — 662 кэв, для калия 40 — 1461 кэв. Нажимаем кнопку выполнить калибровку, и весь спектр автоматически выравнивается согласно энергиям. Коэффициенты А, Б и С сами определили для себя необходимые значения. Теперь нужно сохранить параметры в конфигурацию устройства. Всё, программа настроена и откалибрована.

Что мы имеем в итоге!? Данное распределение представляет собой спектр амплитуд импульсов, получающийся при исследовании моноэнергетических излучений. Именно по параметрам таких пиков восстанавливается характеристика излучения. В конце амплитудного спектра импульсов присутствует пик, соответствующий полному поглощению частицы с определенной энергией детектором.
В идеале пик полного поглощения должен быть бесконечно узким, однако даже в случае идеального сцинтиллятора он будет иметь определенную полуширину, связанную с флуктуациями в детекторе.
Отношение ширины пика к его амплитуде называется энергетическим разрешением сцинтиллятора. Чем меньше эта величина, тем выше разрешающая способность сцинтилляционного детектора, в данном случае это 8 процентов. В основном разрешение принято измерять по пику цезия-137, но, пик висмута-210 в основе радия, который лежит в районе на 609 кэв тоже для это прекрасно подойдет.

Анализ полученных результатов. На сбор приемлемого спектра слабоактивных радиоизотопных образцов, иногда требуется целые сутки. Вот мы и подождали, у нас собралась непонятная гребёнка. Что оно такое и с чем её едят?
Разберём пример на основе радия-226. Каждый радиоактивный изотоп в своей жизни преодолевает полураспад с превращением в другой химический элемент с другим атомным весом. Каждый распад сопровождается выбросом альфа, бета или гамма частиц.
Вот цепочка полураспада радия-226. В процессе он превращается в радон, радон превращается в свинец-214, свинец в барий, и так до тех пор, пока в последней цепочке этого полураспада не образуется какой ни будь стабильный элемент, в данном случае свинец-206. Отсюда понятно, что мы имеем дело не только с радием-226 в часах, еще с целой кучей радиоактивных изотопов, которые рассматривать нужно по отдельности.

Тут нам может помочь ресурс NuDat. Вся эта мазня на рисунке — продвинутая таблица Менделеева. Среди всех возможных изотопов находим радий-226. Нажимаем на его. После загрузки программой необходимого элемента, внизу у нас появится небольшой список, нас интересует пункт «decay radiation».

Он откроет список возможных энергий при распаде. Внизу нас интересует раздел с гамма и рентгеновским излучением. Тут видим, что с большей долей вероятности, 3.64 процента у нас при распаде, выделится энергия соответствующая 186 килоэлектронвольтам. На спектре этот пик находится вот тут, и соответствует той самой нужной энергии 186 кэв. Отлично.

Рассмотрим радиоактивный изотоп цезий-137. Период его полураспада составляет 30 лет. Сам по себе цезий-137 является бета источником, претерпевая бета распад он превращается в изомер бария-137м, который живет всего 2 с половиной минуты и распадаясь плюется гамма квантом с энергией 662 килоэлектронвольт, завершая цепочку распадов и превращаясь в стабильный изотоп бария-137.
Но, на спектре еще видно три каких-то пика. Первый, что на 32 кэв, это рентгеновская флюоресценция бария, когда частица при распаде попадает в барий, в нем происходит рождение своего кванта с энергией в 32 кэв. То же касается и второго бугра, это рентгеновская флюоресценция свинца в свинцовом домике. Большой черный бугор, это эффект Комптона. Происходит он в результате того, что не все гамма кванты полностью поглощаются сцинтиллятором. Большая их часть теряет свою энергию по пути в результате столкновения с электронами веществ, и только после этого поглощаются сцинтиллятором. В общем Комптон на примере цезия, это наши 662 кэв растерявшие энергию по пути.

Уверен что сейчас у многих из вас возник вопрос, где достать легальные радиоактивные источники для исследований!?. Всё очень просто. К примеру цезий-137, это обыкновенные белые грибы, употребляемые мною в пищу. Часть из них собраны в Малинском районе, часть привезено из Радынки, села Полесского района что находится в 30 километрах от Чернобыля.
Чтоб зафиксировать хоть какое то превышение по фону, грибы нужно полностью высушить и измельчить в кофемолке. В результате замера такого пакетика, Радиоскан 701 показал фон в 13 микрорентген, а сам спектр от неё, пришлось собирать в течении 10-ти часов.

Подобных источников вокруг нас достаточно много, если знать что искать. Это к примеру вольфрамовые электроды с двух процентным добавлением тория-232. Купить их можно в любом магазине торгующем сварочным оборудованием. Для удобства измерения образец поместим в небольшой пластиковый контейнер. Радиоскан с закрытой крышкой гамма фильтра, показывает порядка 30 микрорентген.

Уран-238 находиться в любом урановом стекле в виде растворенных там солей. Такие пуговицы были куплены в местном детском мире, найти подобную красоту можно с помощью ультрафиолетового фонарика.
Часы с радиевой светомассой постоянного действия. Этот образец был найден с помощью дозиметра на барахолке, продавец даже не подозревал про существование таких артефактов. Держать такое дома не советую, иначе вам понадобится адвокат.
Америций-241. Можно выковырять из пожарного дымоизвещателя, в котором он является частью ионизационной камеры. Такой источник показывает гамма фон порядка 87 микрорентген. Так и запишем на бумажке, 86 мкР.
Калий-40. Это обыкновенная калиевая селитра, которую продают в цветочных магазинах, и применяют в качестве удобрения. Показания равны 13-ти микрорентген. Почти все выше перечисленные образцы доступны в свободной продаже, и различаются своим разнообразием спектров которые можно изучать и анализировать на практике. Радиоактивность тут «крайне мала», и, чтобы разглядеть хоть какой-то результат того же цезия, потребуется куча времени.
Гамма-спектрометрия это по большей части путешествие в мир загадок, тут придётся разбираться в карявках на экране монитора в надежде узнать что за изотопы излучают те или иные энергии.

Дабы упростить себе задачу, можно сделать библиотеку спектров самых распространенных изотопов, как это показано на этом примере. Сейчас видим линейный масштаб, тут энергия пропорциональна по всей шкале. Включив логарифмический масштаб, мы увидим спектр которой пропорционален определенному логарифму отношения величин, в нем легко разглядеть высокоэнергетическую гамму, которая обычно прилетает в сцинтиллятор с меньшей вероятностью. На этой прекрасной ноте, мы плавно переходим от самой нудной, к самой интересной части. Эксперименты, наблюдения, интриги и расследования…

Температура. Для повышения точности производимых спектрометром измерений, нужно учитывать некоторые моменты. Кристалл йодида натрия при изменении температуры окружающей среды сдвигает спектр. Особенно это хорошо видно утром и вечером, когда температура в помещении отличается на пару градусов. Следовательно, чем больше будет этот разброс за время измерения, тем больше будет дрейф, тем больше размажется спектр по шкале, тем больше процентов будет итоговое разрешение, что есть не хорошо!
Положение спектрометра в свинцовом домике. Желательно проводить все измерения в одном и том же положении, для этого рекомендую сделать метки. Пермаллой хоть и защищает ФЭУ от разных магнитных полей, но это не всегда дает желаемый результат. Спектр так же может съехать в ту или иную сторону.
Много измерений на начальных стадиях проводились через соединение длинного, экранированного провода. Если укоротить его до одного метра, и хорошо заэкранировать спектрометр, то при условии поддержания стабильной температуры в помещении, на спектре можно будет наблюдать улучшение разрешения по цезию, лучшее что получал это 7 процентов, но источник тут слабоактивный. Не уверен что показания корректные. Придерживаясь простых рекомендация, можно из кучки электронных компонентов сделать профессиональный сцинтилляционный измерительный прибор, который позволяет определять изотопный состав радиоактивных материалов.
Теперь, кто-то может спросить, так зачем все таки нужна медь между спектрометром и свинцом!? Проведем простой эксперимент. Измеряем фон в домике с и без свинца. На спектре можно наблюдать повышенную рентгеновскую флюоресценцию свинца в районе 80 кэв, если наложить одну картинку на другую, то разница очень хорошо заметна. Медь помогает подавить этот паразитный эффект.

Много времени заняло понимание отличительных признаков сцинтилляторов. Кристалл как говорится он и в Африке кристалл. Но, йодид натрия активированный таллием это нечто не простое.
Немного о желтом кристалле. Все измерения проводились при одинаковом напряжении на ФЭУ в 600 Вольт. Грубо говоря просто менялся кристалл без всяких регулировок. Наблюдая за картиной, даже невооруженным взглядом было видно, что все импульсы какие то маленькие по амплитуде, если верить в ранее высказанную теорию продавца про пожелтевший только у стенок кристалл, то там вероятней всего происходит следующее.
Тот фотон света который родился в недрах прозрачности, поглощается на где-то недрах желтости, в результате к фотоэлектронному умножителю долетает мало фотонов. Какое-никакое умножение происходит, но на выходе мы получаем пригодный только для счета сигнал.
В счетном режиме действительно регистрируется большее количество распадов природного фона. В программе видим аж 90 частиц в секунду.
Разрешение по пику цезия-137 тут 14 процентов, в этом случае можно действительно разглядеть силуэт цезия на спектре. С радием всё не так просто, эти моно бугры и дезориентировали меня 2 года назад, заставив прекратить работу в данном направлении. Подозрения были на неисправную схему преобразователя и фотоэлектронный умножитель. В итоге пришлось покупать еще один ФЭУ, еще один кристалл, тратить ресурсы и время на понимания того, что произошло.
А произошло следующее, меня попросту обманули. Естественно мне захотелось вернуть деньги, или хотя бы поменять желтый сцинтиллятор на нормальный, я набрал продавца и рассказал ему всю историю, на что он мне ответил:
— Прозрачность (желтизна и белизна) очень субъективная оценка, некоторые люди говорят что все ок, всё работает. Кто-то говорит ну не получится спектрометр, возьму на счётные режим.
Для понимания что такое счётный режим. Существует сцинтилляционный радиометр СРП-88. Принцип его работы состоит в том, чтобы любой импульс пришедший с ФЭУ, усилить до определенного уровня, скажем до 5-ти вольт, и подать на его счетную часть схемы. Такому радиометру грубо горя плевать на амплитуду выходного сигнала с фотоэлектронного умножителя. Его основная задача считать! Отсюда вывод, для счета пойдет даже кристалл с помойки. Тут больше возникает вопрос сколько квантов света потеряются на пути к ФЭУ.

Продолжение разговора:
— Понимаете, человек, когда берёт 85, 86, 87 года кристалл, понятное дело что он не будет соответствовать тем характеристикам, которые есть в новом кристалле 2000- х годов;
— То есть все они с желтизной!?
— Ну вот они в такой степени прозрачности, можно так сказать;
— Да ладно! Вот кристалл 1976 года, он не разу не желтит и с ним проводились все работы во время подготовки этого выпуска. Вы говорите что желтые кристаллы у вас покупают для спектрометрических задач!?
— Покупают…
— Я первый, кто говорит что жёлтый кристалл не годится для этих дел!?
— Да, первый человек…
Я обратился в группу спектрометристов с вопросом: «Попадались ли кому хорошие кристаллы данного продавца?». На что все дружно ответили: «НЕТ!»
— Я бы на вашем месте не отчаивался…
— Я и не отчаиваюсь, всё нормально, откуда еще набраться опыта, кроме как не в попытках разобраться что к чему.
Для справки. Съемки этого выпуска заняли рекордные три года. Не все хомяки смогли увидеть конечный результат исследований в этом направлении. Отдельно хочу поблагодарить Евгения Соловьева, Дмитрия Новикова, Сергея Матюшенко, Василия Чечюлинского и многих других, кто тем или иным способом помогал в подготовке этого проекта. Тут много технической информации. Если в процессе где-то допущены ошибки, милости прошу в комментарии! Я не спектрометрист, а всего лишь хрен с дороги.
Как сказал Мастер Йода:
Тебя послушать — так сложно все. Слышишь, что сказал я?
―Учитель, двигать камни — это одно. А тут — совсем другое дело!
―Нет! Не другое! Другое в голове лишь.
================================================================
Архив с гербер-файлами и прочими полезностями
Полное видео проекта на YouTube
Автор: Hamster Time
