
Представленный в самом конце июля набор системной логики AMD B450 не привнёс ничего кардинально нового в сравнении с предшественником – чипсетом AMD B350. Да, появились поддержка технологии динамического разгона Precision Boost Overdrive, технологии кеширования данных StoreMI, а также поддержка процессоров AMD с ядром Pinnacle Ridge. Однако без первых двух большинство обладателей материнских плат с B350 спокойно обходятся и сейчас, а поддержку новых процессоров на них можно получить простым обновлением BIOS. Отличия от флагманского X470 чуть более ощутимые: меньше портов USB и SATA, шесть линий PCI-Express против восьми, а также на платах с B450 нельзя организовать NVIDIA SLI.
Зато новый чипсет, по замыслу разработчиков, должен сделать материнские платы на его основе доступнее, чем в случае с X470, при практически тех же функциональных возможностях и полной поддержке разгона. Этим не преминули воспользоваться все основные производители, анонсировав новые серии плат. Например, компания ASUS выпустила семь новых моделей, Gigabyte – шесть, ASRock – пять. Но больше всех отличилась компания MSI, представившая сразу двенадцать версий своих продуктов на данном наборе системной логики AMD. Флагманом серии стала модель B450 Gaming Pro Carbon AC, которую мы сегодня изучим и протестируем.
Нужно отметить, что розничная цена такой платы без малого вдвое ниже стоимости недавно протестированной нами MSI X470 GAMING M7 AC, которая также возглавляет свою серию на AMD X470. Поэтому сопоставление данных продуктов по ходу сегодняшней статьи кажется нам довольно интересным занятием. Приступим.
⇡#Технические характеристики и рекомендованная стоимость
| MSI B450 Gaming Pro Carbon AC (MS-7B85) | |
|---|---|
| Поддерживаемые процессоры | Процессоры AMD Ryzen (Summit Ridge, Raven Ridge, Pinnacle Ridge) седьмого поколения микроархитектуры Zen и Athlon/А-серии (Bristol Ridge) седьмого поколения в исполнении Socket AM4 |
| Чипсет | AMD B450 |
| Подсистема памяти | 4 × DIMM DDR4 небуферизованной памяти объёмом до 64 Гбайт; двухканальный режим работы памяти; поддержка модулей с частотой 3466/3200/3066/3000/2933/2800/2667/2400/ 2133/1866 МГц; поддержка A-XMP |
| Разъёмы для плат расширения | 1 слот PCI Express x16 3.0, режимы работы x16 или x8; 1 слот PCI Express x16 2.0, режим работы x4; 3 слота PCI Express x1 2.0 |
| Масштабируемость видеоподсистемы | AMD 2-way CrossFireX Technology |
| Интерфейсы накопителей | Чипсет AMD B450: – 4 × SATA 3, пропускная способность до 6 Гбит/с (поддержка RAID 0, 1 и 10); – 1 × M.2 (М2_2 поддерживает только накопители PCI-E 2.0 x4 типов 2242/2260/2280); Процессор AMD Ryzen: – 2 × SATA 3, пропускная способность до 6 Гбит/с; – 1 × M.2 (М2_1 поддерживает как PCI-E 3.0 x4, так и SATA-накопители типов 2242/2260/2280/22110) |
| Сетевой интерфейс | Гигабитный сетевой контроллер Intel l211-AT |
| Беспроводной сетевой интерфейс | Intel Dual Band Wireless-AC 9260 (Wi-Fi 802.11 a/b/g/n/ac, dual band (2,4 и 5,0 ГГц) с пропускной способностью до 1,73 Гбит/с, Dual Mode Bluetooth 2.1, 2.1+EDR, 3.0, 4.0, BLE, 4.2, 5.0 |
| Аудиоподсистема | 7.1-канальный HD-аудиокодек Realtek ALC1220: – высококачественный, защищённый от электромагнитных помех HD аудиопроцессор Audio Boost 4; – технология Nahimic 3; – изолированная от PCB звуковая зона; – отдельные слои текстолита для левого и правого каналов аудио; – защита от щелчков; – звуковые конденсаторы Chemi-Con; – усилитель для наушников; – премиум-разъёмы с позолотой контактов |
| Интерфейс USB | Чипсет AMD B450: – 2 порта USB 3.1 Gen1 (подключаются к разъёму на системной плате); – 6 портов USB 2.0 (2 – на задней панели, 4 – подключаются к разъёмам на системной плате); – 2 порта USB 3.1 Gen2 (оба – на задней панели платы, Type-C и Type-A); Процессор AMD Ryzen: – 2 порта USB 3.1 Gen1 (на задней панели) |
| Разъёмы и кнопки на задней панели | кнопка BIOS Flashback; 2 порта USB 2.0 и комбинированный PS/2; видеовыходы Display Port и HDMI; два коннектора для антенн беспроводного модуля связи; 2 порта USB 3.1 Gen1 и сетевая LAN-розетка RJ-45 (LAN Protect); 2 порта USB 3.1 Gen2 Type-C и Type-A; оптический выход S/PDIF-интерфейса; 5 3,5-мм аудиоразъёмов с позолоченными контактами |
| Внутренние разъёмы на системной плате | 24-контактный разъём питания ATX; 8-контактный разъём питания ATX 12 В; 4-контактный разъём питания ATX 12 В; 6 SATA 3; M.2_1 NGFF 2240/2260/2280/22110; M.2_2 NGFF 2240/2260/2280; разъём USB 3.1 Gen1 для подключения 2 портов; 2 разъёма USB 2.0 для подключения 4 портов; 4-pin разъём для вентилятора CPU с поддержкой PWM; 4-pin разъём для помпы СЖО; 4 4-pin разъёма для корпусных вентиляторов с поддержкой PWM; 2 4-pin 5050 RGB LED strip 12V; разъём WS2812B Addressable RGB LED 5V; разъём CORSAIR; разъём TPM; группа разъёмов для передней панели; разъём аудио для передней панели; разъём Chassis Intrusion; разъём Serial Port; перемычка Clear CMOS |
| BIOS | 128 Мбит AMI UEFI BIOS с мультиязычным интерфейсом и графической оболочкой; совместимость с ACPI 6.1; поддержка PnP 1.0a; поддержка SM BIOS 2.8 |
| Контроллер I/O | Nuvoton NCT6797D-M |
| Форм-фактор, габариты (мм) | ATX, 305 × 244 |
| Гарантия производителя, лет | 3 |
| Минимальная розничная стоимость, руб. (по данным "Яндекс.Маркета" на 30.08.2018) |
11 560 |
⇡#Упаковка и комплектация
MSI B450 Gaming Pro Carbon AC поставляется в стандартной коробке, выполненной из плотного картона. На лицевой стороне можно найти название модели платы и чипсета, а также перечисление поддерживаемых технологий.
|
|
Обратная сторона коробки отведена под описание всех ключевых особенностей продукта. Там же приведены краткие технические характеристики и перечислены порты на задней панели.
На привычной наклейке с торца коробки указан серийный номер платы и все её интерфейсы.
Комплектация сравнительно скромная: два SATA-кабеля, кабель для подключения светодиодных лент подсветки, две антенны для модуля беспроводной связи, наклейка на корпус с логотипом Gaming и винтик для закрепления накопителя в разъёме M.2.
Заглушка на заднюю панель платы где-то потерялась, зато полно разных буклетов, бумажек-напоминалок, наклеек на SATA-кабели, а также есть DVD с драйверами и утилитами.
MSI B450 Gaming Pro Carbon AC производится в Китае и обеспечивается трёхлетней гарантией. Стоимость новинки в российских магазинах на момент написания материала начиналась с 11 560 рублей. Отметим, что данная модель является самой продвинутой среди решений MSI на наборе системной логики AMD B450, и тем не менее она значительно дешевле сопоставимых по характеристикам плат на AMD X470 этого же производителя.
⇡#Дизайн и особенности
Внешне новая MSI B450 Gaming Pro Carbon AC выглядит совершенно обычно и не балует пользователей яркими красками. На почти чёрном текстолите размерами 305 × 244 мм можно выделить только серебристый слот PCI-Express и красную надпись на кожухе аудиокодека.
|
|
Всё остальное выполнено в одной цветовой гамме с текстолитом, включая радиаторы, стилизованные под карбон. Кстати, на цепях VRM они заметно выросли в размерах в сравнении с радиаторами плат MSI на чипсете AMD B350.
|
|
Задняя панель платы предлагает восемнадцать разъёмов разных типов: порты USB и PS/2, два видеовыхода, два коннектора для антенн беспроводного модуля связи, сетевую розетку и аудиоразъёмы.
Сюда же выведена кнопка Clear CMOS, которой, к слову, нам не пришлось пользоваться даже при неудачном выборе настроек BIOS, — в случае чего плата сама сбрасывает параметры на стандартные.
Все радиаторы прикреплены к текстолиту винтами, а пластиковых кожухов здесь и вовсе нет (что, к слову, не может не радовать). Поэтому, чтобы «раздеть» плату до текстолита, потребовалась всего пара минут.
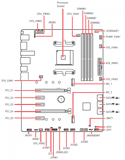
Прежде всего, перед покомпонентным разбором MSI B450 Gaming Pro Carbon AC, приведём схему расположения элементов на текстолите из инструкции по эксплуатации.
|
|
Искать какие-то отличия и особенности в процессорном разъёме формата Socket AM4, как показывает практика, бессмысленно. На всех без исключения платах он совершенно стандартный.
В число поддерживаемых платой процессоров входят все CPU, выпускаемые в данном конструктивном исполнении. Причём это справедливо для всех версий BIOS, начиная с самой первой.
В системе питания процессора используются восемь фаз (на самом деле правильнее сказать 4 × 2). Ещё две фазы отведены на питание CPU NB/SoC.
За управление питанием процессора на MSI B450 Gaming Pro Carbon AC отвечает ШИМ-контроллер RT8894A производства Richtek.
Рядом с элементами VRM CPU расположена небольшая колодка с коннекторами и перемычкой.
О её назначении в инструкции к плате и на сайте нет ни слова, поэтому мы можем лишь догадываться, что с её помощью регулируются пределы каких-то напряжений. Ваши версии пишите в комментариях к статье.
Для обеспечения платы и её компонентов питанием здесь используются стандартные разъёмы с 24 и 8 контактами, а также дополнительный четырёхконтактный разъём.
|
|
Все они сориентированы защёлками наружу.
Выпущенный на Тайване чипсет AMD B450 относится к версии B2 и датируется 12-й неделей 2018 года (середина марта).
Его совместные с процессором AMD Ryzen возможности приведены на схеме ниже.
Поскольку MSI B450 Gaming Pro Carbon AC относится к платам среднего ценового диапазона, то фирменной металлической оболочки Steel Armor и дополнительных точек пайки к текстолиту, как в топовых платах MSI, здесь нет. А вот технология DDR4 Boost, обеспечивающая памяти повышенную стабильность и одновременно позволяющая достичь более высоких частот при разгоне, платой поддерживается.
Официально заявлена поддержка модулей памяти DDR4 с частотой 3466 МГц, но в BIOS доступен выбор частот вплоть до 4133 МГц включительно. Перечень протестированных на плате модулей уже сейчас огромен и продолжает наполняться новыми моделями с поддержкой A-XMP.
Питание памяти реализовано по двухфазной схеме.
Напомним, что максимальный объём памяти на платах с чипсетом AMD B450 может достигать 64 Гбайт, и MSI B450 Gaming Pro Carbon AC не является исключением.
Плата оснащается только одним полноценным PCI Express 3.0 x16 с металлизированной оболочкой Steel Armor. Он может работать в режимах x16 или х8, если в плату установить две видеокарты на графических процессорах AMD. При этом вторая видеокарта будет установлена в слот PCI Express x16 2.0, имеющий всего 4 линии. Такой вот странный будет AMD 2-way CrossFireX.
Как следствие, технология NVIDIA 2-way SLI платой/чипсетом не поддерживается («зелёные» видеокарты с PCI-E x4 не работают). Оставшиеся три слота предназначены для установки карт расширения и являются PCI Express x1 2.0.
Как и на большинстве других плат MSI, коммутацию режимов работы слотов обеспечивают мультиплексоры ASM1480 производства ASMedia.
Четыре из шести портов SATA 3 с пропускной способностью до 6 Гбит/с на MSI B450 Gaming Pro Carbon AC реализованы возможностями чипсета AMD B450, а ещё два – процессорными линиями, в результате чего они вынуждены делить ресурсы с первым портом M2_1. Так что придётся выбирать: либо SATA5 и SATA6, либо M2_1.
Причём этот выбор не очень приятный, поскольку именно верхний M2_1 на плате называется Turbo M.2, поддерживает как SATA-, так и PCI-E NVMe-накопители типов 2242/2260/2280/22110 и имеет радиатор Shield FROZR.
Иначе говоря, отказываться от этого порта и накопителей в нём вряд ли кому-то захочется. Впрочем, сегодня даже в дорогих системах редко используется более четырёх SATA-накопителей, а в бюджетных – тем более. Так что портов должно хватить.
Второй М2_2 подключён к чипсету и поддерживает только накопители PCI-E 2.0 x4 типов 2242/2260/2280, да и радиатора для них не предусмотрено.
Завершая тему портов для накопителей, скажем несколько слов про USB. В целом MSI B450 Gaming Pro Carbon AC оснащена 12 USB-портами, из которых шесть выведены на заднюю панель — и столько же можно подключить к разъёмам на текстолите. На панели размещены два USB 3.1 Gen1, два USB 2.0 и два высокоскоростных USB 3.1 Gen2 (Type-C и Type-A). С внутренних разъёмов платы можно взять четыре USB 2.0 и ещё два USB 3.1 Gen1. Сторонних контроллеров для USB плата не получила — используются только ресурсы чипсета и процессора. Добавим, что на программном уровне поддерживаются фирменные технологии MSI X-Boost, MSI Super Charger и Double ESD Protection.
О сетевых интерфейсах. На MSI B450 Gaming Pro Carbon AC присутствует гигабитный сетевой контроллер Intel l211-AT выпуска конца 2012 года стоимостью чуть более двух долларов США. Впрочем, никто не говорит, что это плохо.
На аппаратном уровне им поддерживается технология защиты от скачков напряжения и статического электричества LAN Protect, а на программном – интеллектуальное управление сетевым трафиком через приложение MSI GAMING LAN Manager. Обычный контроллер, для домашних нужд он вполне достаточен, но всё же уже хотелось бы видеть в материнских платах даже среднего уровня какой-то прогресс в данной области и внедрение десятигигабитных сетевых контроллеров.
Беспроводной сетевой интерфейс на плате реализован контроллером Intel Dual Band Wireless-AC 9260 выпуска конца 2017 года.
Он обеспечивает работу Wi-Fi стандартов 802.11 a/b/g/n/ac в двух диапазонах — 2,4 и 5,0 ГГц — с пропускной способностью до 1,73 Гбит/с, а также Bluetooth версий 2.1, 2.1+EDR, 3.0, 4.0, BLE, 4.2 и 5.0.
Звук MSI B450 Gaming Pro Carbon AC представлен 7.1-канальным HD-аудиокодеком Realtek ALC1220, защищённым от электромагнитных помех алюминиевым колпачком.
В фирменную концепцию MSI Audio Boost 4 входит не только экранирование процессора, но и аудиофильские конденсаторы Chemi-Con, выделенный усилитель для наушников, защита от щелчков, отдельные слои текстолита для левого и правого каналов аудио, а также изолированная от остальных элементов на PCB зона аудиотракта.
Также бюджетная материнская плата получила позолоченные контакты аудиоразъёмов и программную поддержку технологии объёмного звучания Nahimic Sound 3.
С помощью контроллера Nuvoton NCT6797D-M плата может одновременно управлять шестью вентиляторами с поддержкой ШИМ.
При этом один из разъёмов имеет силу тока до 2 А — он предназначен для обеспечения питанием, например, энергоёмких помп систем жидкостного охлаждения. Отметим, что с точки зрения размещения корпусных и процессорных вентиляторов разъемы распределены по текстолиту довольно удачно.
Подсветка на MSI B450 Gaming Pro Carbon AC реализована светодиодами под радиатором чипсета и линейкой светодиодов с обратной стороны текстолита в зоне слотов оперативной памяти.
Фирменное приложение MSI Mystic Light поможет выбрать один из 16,8 миллиона цветов и более дюжины различных режимов работы подсветки.
Кроме этого, подсветку можно расширить за счёт подключения внешних светодиодных лент, для чего на плате есть сразу три разъёма.
К сожалению, индикатора POST-кодов на MSI B450 Gaming Pro Carbon AC нет, но его частично заменяют четыре светодиода MSI EZ Debug, распаянные у слотов оперативной памяти. Нижний край текстолита платы заняли разъёмы USB, коннекторы передней панели корпуса и аудио, а также прочие инструменты.
Отличительной особенностью B450 Gaming Pro Carbon AC от плат MSI предыдущего поколения являются увеличенные радиаторы на цепях VRM. В особенности своими размерами впечатляет радиатор цепи питания ядра процессора.
И как оказалось, сделано это вовсе не маркетологами для дизайна и красоты, как зачастую бывает. В этом мы убедимся в тестовой части статьи, а пока пробежимся по BIOS платы.
⇡#Возможности UEFI BIOS
На момент тестирования MSI B450 Gaming Pro Carbon AC были доступны только две версии BIOS: 1.08 от 4 июля 2018 года с поддержкой AGESA PinnaclePI-AM4 1.0.0.2 и 1.10 от 15 августа 2018 года — уже с поддержкой AGESA Code 1.0.0.4C и некоторыми оптимизациями в работе с оперативной памятью. Мы тестировали плату на обеих версиях BIOS и никакой разницы в разгоне процессора или памяти не выявили.
Как и на предыдущих платах MSI, стартует оболочка в упрощённом режиме EZ Mode (здесь и далее мы приводим скриншоты уже с разгоном процессора и памяти, а не по умолчанию).
При нажатии на клавишу F7 можно перейти в расширенный режим, где доступны шесть основных разделов с настройками и встроенными утилитами.
Основной раздел, Settings, вобрал в себя настройки контроллеров платы, безопасности и вариантов загрузки, а также сохранения и выгрузки параметров.
|
|
|
|
|
|
OC – так коротко и ясно называется основной раздел с параметрами разгона материнской платы, процессора и памяти. Здесь мы сразу же рекомендуем переключиться в режим Expert, открывающий дополнительные настройки.
|
|
В нём есть всё необходимое для оверклокинга процессора и оперативной памяти, включая восемь режимов стабилизации напряжений CPU и SOC. Напряжение на ядре процессора можно изменять в диапазоне от 0,900 до 1,550 В с шагом 0,0125 В, напряжение SOC в диапазоне от 0,900 до 1,300 В с тем же шагом, а на оперативной памяти – от 0,800 до 2,000 В с шагом 0,010 В. Кроме того, для изменения доступны ещё несколько второстепенных напряжений.
Также присутствуют вложенные подразделы с подробной информацией об установленном процессоре и модулях памяти.
|
|
|
|
Отдельным подразделом идёт настройка технологий процессора.
Что касается оперативной памяти, то здесь MSI B450 Gaming Pro Carbon AC даст фору многим конкурентам. Во-первых, невзирая на чипсетное ограничение в 3466 МГц, здесь можно выбрать частоту памяти вплоть до 4200 МГц. Другое дело, что совместимую с AMD Ryzen память на такой частоте вы пока не найдёте (а если и найдёте, то не заставите стабильно работать на данной частоте), но задел на будущее очевиден. Во-вторых, в BIOS заранее прошиты более 20 наборов настроек памяти (частот/таймингов) для её разгона.
|
|
Правда, эта настройка даже своим названием «Memory TryIt!» намекает на то, что гарантий никаких нет, но в качестве фирменной особенности плат MSI вполне интересна. В-третьих, если вы не полагаетесь на автоматический подбор настроек, то для ручного изменения доступны все тайминги оперативной памяти, включая второстепенные и глубоко запрятанные. Ниже мы приводим только два скриншота, но на практике их вдвое больше.
|
|
Возможность создания шести профилей настроек BIOS, которые можно не только сохранить для последующего использования, но и выгрузить на USB-носитель или загрузить с него, должна упростить разгон.
Никуда не исчезла и привычная утилита Hardware Monitor, где можно отрегулировать каждый из пяти подключённых к плате вентиляторов, а также в реальном времени мониторить основные температуры и напряжения.
Единственное, чего хотелось бы пожелать инженерам MSI, — это увеличить количество точек кривой вентилятора с четырёх до шести, чтобы можно было регулировать его скорость более плавно.
В завершение обзора BIOS напомним о встроенном в него браузере материнской платы.
Здесь без загрузки операционной системы и вскрытия корпуса системного блока можно узнать, какие именно компоненты установлены в плату. Добавим, что при выходе из BIOS отображаются все внесённые в него изменения.


























