- PVSM.RU - https://www.pvsm.ru -
Поставляемые в составе пакета MIPSfpga документация, ПО и конфигурационные файлы предполагают применение Bus Bluster в качестве аппаратного отладчика. Статья содержит инструкции по использованию для этой цели практически любого USB-UART адаптера, построенного на микросхеме FTDI с поддержкой MPSSE (FT232H, FT2232H, FT4232H, FT2232D). Кратко описывается интеграция среды разработки Visual Studio Code и отладчика GNU GDB.
Все конфигурационные файлы, описываемые в статье, а также часть документации доступны на github [1].

MIPSfpga — промышленное процессорное ядро MIPS microAptiv, исходные коды которого доступны под академической лицензий [L1 [2]]. MIPSfpga-plus — проект системы на кристалле, построенной на базе ядра MIPSfpga [L2 [3]]. В моем случае система развернута на плате Terasic DE10-Lite c ПЛИС Altera MAX10 на борту [L3 [4]].
В качестве адаптера (программатора, отладчика) между MIPSfpga-plus и ПК выступает плата Pinboard II [L4 [5]] с микросхемой FT2232 [D1 [6]] производства компании FTDI [L5 [7]]. Физически платы связаны между собой интерфейсами UART и JTAG [L6 [8]]. Первый используется для консольного доступа к отлаживаемой системе. Второй — является базовым интерфейсом для отладки с использованием EJTAG [D7 [9]]. Разница между JTAG и EJTAG очень хорошо показана в [L7 [10]].
Ключевой технологией, которая существенно упрощает построение программаторов и отладчиков на базе микросхем FTDI, является Multi-Protocol Synchronous Serial Engine (MPSSE) [D2 [11], D3 [12], D4 [13]]. Поддержка MPSSE является принципиальным моментом для описываемой в статье конфигурации. Получить схожие результаты вы сможете только на USB-адаптерах, построенных на базе следующих микросхем FTDI: FT232H, FT2232H, FT4232H, FT2232D.
На стороне ПК взаимодействие с USB-платой осуществляется: для канала UART — с использованием обычных драйверов от FTDI и любой терминальной программы, для канала MPSSE используются драйвер WinUSB (работа проводилась на Windows — системе).
Для компиляции используются Codescape GNU Tools [D9 [14]], для отладки — традиционная связка OpenOCD [L8 [15], D8 [16]] и GNU GDB [D5 [17]]. Эти программные пакеты входят в состав Codescape MIPS SDK [L12 [18]]. Их взаимодействие между собой осуществляется по протоколу gdbserver [L9 [19]].
В качестве GUI при отладке применена Visual Studio Code (VSCode) [L10 [20]] с установленным расширением vscode-cpptools [L11 [21]]. В силу того, что это расширение ориентировано на высокоуровневую разработку (C/C++), в интерфейсе отсутствуют такие представления как просмотр инструкций ассемблера, просмотр памяти, прямой доступ к регистрам.
MPSSE — это аппаратно реализованный набор примитивных функций, которые существенно упрощают реализацию последовательных интерфейсов (SPI, I2C, JTAG). Например: отправить N бит по фронту тактового сигнала, прочитать M бит по спаду, установить вывод Х в ноль и т.д.
До 2014 года китайцы в существенных масштабах клепали контрафактные микросхемы FTDI, по этой причине USB-UART преобразователи на их основе были одними из самых распространенных на площадках типа ebay или aliexpress. А разработчики — с радостью строили на них свои решения, взять хотя бы ту же поддержку со стороны OpenOCD. Список выпускаемых FTDI микросхем USB-адаптеров приведен ниже, имеющие поддержку MPSSE — отмечены цветом.
В 2014 году компания FTDI выпускает обновленные драйвера, которые отказываются работать с контрафактными устройствами [L13 [22], L14 [23]]. Количество предложений на эти USB-UART адаптеры с тех пор несколько сократилось, но они все равно остаются одними из самых распространенных из имеющихся на руках у разработчиков.
Еще FTDI, несмотря на прекрасные чипы, иногда ругают за качество ПО к ним. Возможно, это у меня кривые руки, но изрядно намучившись в свое время с работой с libMPSSE из под .NET, я написал свой аналог этой библиотеки на C# [L15 [24]].
Если кто-то из читателей знает адекватную альтернативу для чипов FTDI, недорогую и при этом корректно поддерживаемую OpenOCD — буду благодарен за информацию.

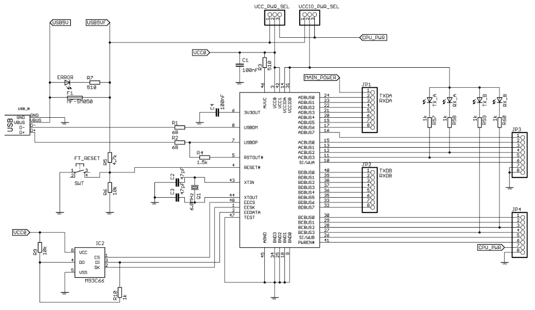
Ниже представлен фрагмент схемы отладочной платы Pinboard II, в вашем случае схема модуля может отличаться. Основным определяющим для нас параметром является возможность прямого доступа к портам микросхемы: для работы достаточно одного свободного MPSSE канала (для TCK, TDI, TDO, TMS) + 1 GPIO выход для сигнала сброса (SRSTn). Для второго канала микросхемы функциональность MPSSE обязательной не является, его при этом удобно использовать для UART взаимодействия с отлаживаемой системой.
Выводы микросхемы FTDI напрямую подключаются к портам ПЛИС. Строго говоря, это является нарушением [D7 [9], D6 [25]], т.к. предполагается, что там должны быть установлены pull-up, pull-down или последовательно включенные резисторы. У меня все работает без них: внимательно проверяйте настройку портов на вход-выход, проверьте ограничение максимального тока на задействованных для EJTAG портах ПЛИС.
Напряжение на выводах адаптера установлено в 3.3V. В случае Pinboard II для выбора этого напряжения предусмотрен отдельный джампер (VCCIO_PWR_SEL). Для других плат — ориентируйтесь на их схемы и настройки ПЛИС, в отдельных случаях может потребоваться доработка адаптера (что проще) и/или схема преобразования уровней [L16 [26]] (что сложнее и может привести к помехам или снижению скорости).

Типовая схема подключения по EJTAG интерфейсу получена из [D6 [25]]. Опциональные входы DINT и TRSTn в рассматриваемой конфигурации не используются. Соответствие остальных — приведено в таблице.

Таблица подключения USB-модуля к ПЛИС

#
# OpenOCD config for using FT2232D that is directly connected
# to FPGA as MIPSfpga EJTAG debugger
# Any FTDI USB IC with MPSSE support (required) can be used
#
# 2017, Stanislav Zhelnio
#
# ##########################################################
# interface part
# ##########################################################
# interface, transport and channel setup
# (use zadig to install WinUSB driver instead of FTDI one)
interface ftdi
transport select jtag
ftdi_channel 0
ftdi_vid_pid 0x0403 0x6010
# ftdi MPSSE initial value and direction
# for detailed description of Magic Numbers look at
# connection table and FTDI AppNote AN_108:
# chapter 2.1 Data bit Definition
ftdi_layout_init 0x0018 0x081b
# special signals
# described in OpenOCD User’s Guide:
# chapter 8.2 Interface Drivers (ftdi)
# chapter 9 Reset Configuration
# nTRST is not used
ftdi_layout_signal nSRST -data 0x0010 -oe 0x0020
ftdi_layout_signal LED -ndata 0x0800 -oe 0x0800
# speed setup
# decrease when errors
adapter_khz 10000
# ##########################################################
# target part
# ##########################################################
# reset delays
# described in OpenOCD User’s Guide:
# chapter 9 Reset Configuration
adapter_nsrst_delay 100
jtag_ntrst_delay 100
# reset sygnal config
# nSRST is directly connected to MIPSfpga (~SI_ColdReset) wire
reset_config srst_only separate srst_nogate srst_push_pull
# To check connection and scan EJTAG chain uncomment this
# and comment all that is bellow then 'shutdown' command.
# Use IDCODE value to detect connection errors:
# IDCODE that was set in RTL config should be identical
# to -expected-id result in 'shutdown' output.
# The IDCODE structure is described in EJTAG Specification:
# chapter 6.5.1 Device Identification (ID) Register
#shutdown
# tap connector and target creation
# change -expected-id to your IDCODE value
# for other arguments see at OpenOCD User’s Guide
jtag newtap auto0 tap -expected-id 0x000f1005 -irlen 5 -ircapture 0x1 -irmask 0x1f
target create auto0.tap mips_mAptiv -endian little -chain-position auto0.tap
# tap configuration
# change params acording to compile and memory settings
# for details see at OpenOCD User’s Guide
auto0.tap configure -work-area-phys 0xa0003ff00 -work-area-size 256 -work-area-backup 0
# EJTAG scan perion
mips32 scan_delay 20000
# run the debugger process and wait for gdb connection
init
{
"configurations": [
{
"name": "Mac",
"includePath": [
"/usr/include",
"/usr/local/include"
],
"browse": {
"limitSymbolsToIncludedHeaders": true,
"databaseFilename": ""
}
},
{
"name": "Linux",
"includePath": [
"/usr/include",
"/usr/local/include"
],
"browse": {
"limitSymbolsToIncludedHeaders": true,
"databaseFilename": ""
}
},
{
"name": "Win32",
"includePath": [
"C:/Program Files (x86)/Microsoft Visual Studio 14.0/VC/include/*"
],
"browse": {
"limitSymbolsToIncludedHeaders": true,
"databaseFilename": ""
}
},
{
"name": "mips-mti-elf",
"includePath": [
"D:/Codescape/Toolchains/mips-mti-elf/2016.05-03/lib/gcc/mips-mti-elf/4.9.2/include/*"
],
"browse": {
"limitSymbolsToIncludedHeaders": true,
"databaseFilename": ""
}
}
]
}
{
"version": "0.2.0",
"configurations": [
{
"name": "MIPS Load",
"type": "cppdbg",
"request": "launch",
"program": "${fileDirname}/program.elf",
"cwd": "${fileDirname}",
"miDebuggerPath": "d:/CODESC~1/TOOLCH~1/mips-mti-elf/2016.05-03/bin/mips-mti-elf-gdb.exe",
"setupCommands": [
{"text": "file 'D:/mipsfpga-plus/programs/00_counter/program.elf'"},
{"text": "target remote localhost:3333"},
{"text": "set endian little"},
{"text": "monitor reset halt"},
{"text": "load"},
{"text": "br main"},
{"text": "monitor continue"}
],
"customLaunchSetupCommands": [],
"launchCompleteCommand": "None",
"targetArchitecture": "mips"
//Uncomment this to debug
//,"logging": { "engineLogging": true }
//or this for verbose debug
//,"logging": { "engineLogging": true, "trace": true, "traceResponse": true }
},
{
"name": "MIPS Attach",
"type": "cppdbg",
"request": "launch",
"program": "${fileDirname}/program.elf",
"cwd": "${fileDirname}",
"miDebuggerPath": "d:/CODESC~1/TOOLCH~1/mips-mti-elf/2015.06-05/bin/mips-mti-elf-gdb.exe",
"setupCommands": [
{"text": "file 'D:/mipsfpga-plus/programs/00_counter/program.elf'"},
{"text": "target remote localhost:3333"},
{"text": "set endian little"}
],
"customLaunchSetupCommands": [],
"launchCompleteCommand": "None",
"targetArchitecture": "mips"
//Uncomment this to debug
//,"logging": { "engineLogging": true }
//or this for verbose debug
//,"logging": { "engineLogging": true, "trace": true, "traceResponse": true }
}
]
}
рассмотрим порядок их получения для приведенной выше таблицы подключения:
0x0018 — установить 1 как начальное значение на портах ADBUS3 и ADBUS4 (биты 3 и 4 соответственно);
0x081b — настроить порты ADBUS0,1,3,4, ACBUS3 на выход (биты 0-3,4, 11).
ftdi_layout_init 0x0018 0x081b

assign EJ_DINT = 1'b0;
assign EJ_TRST_N = 1'b1;
результатом ее корректного выполнения является следующий вывод, где 0x000f1005 — это ранее заданный IDCODE
Open On-Chip Debugger 0.9.1-dev-microAptiv-dirty (2015-05-08-15:32)
Licensed under GNU GPL v2
For bug reports, read
http://openocd.sourceforge.net/doc/doxygen/bugs.html
adapter speed: 10000 kHz
adapter_nsrst_delay: 100
jtag_ntrst_delay: 100
srst_only separate srst_nogate srst_push_pull connect_deassert_srst
shutdown command invoked
Info : clock speed 10000 kHz
Warn : There are no enabled taps. AUTO PROBING MIGHT NOT WORK!!
Warn : AUTO auto0.tap - use "jtag newtap auto0 tap -expected-id 0x000f1005 ..."
Warn : AUTO auto0.tap - use "... -irlen 5"
Warn : gdb services need one or more targets defined
корректным является следующий вывод, после чего OpenOCD не прерывает работу и ожидает подключения от gdb:
Open On-Chip Debugger 0.9.1-dev-microAptiv-dirty (2015-05-08-15:32)
Licensed under GNU GPL v2
For bug reports, read
http://openocd.sourceforge.net/doc/doxygen/bugs.html
adapter speed: 10000 kHz
adapter_nsrst_delay: 100
jtag_ntrst_delay: 100
srst_only separate srst_nogate srst_push_pull connect_deassert_srst
scan delay: 20000 nsec
running in fast queued mode
Info : clock speed 10000 kHz
Info : JTAG tap: auto0.tap tap/device found: 0x000f1005 (mfg: 0x002, part: 0x00f1, ver: 0x0)
в отдельном окне терминала запустите gdb: mips-mti-elf-gdb -q program.elf и выполните несколько операций по отладке
> mips-mti-elf-gdb -q program.elf
Reading symbols from program.elf...done.
подключение к отлаживаемой системе
(gdb) target remote localhost:3333
Remote debugging using localhost:3333
0xbfc00000 in ?? ()
настройка целевого порядка байтов
(gdb) set endian little
The target is assumed to be little endian
останов системы
(gdb) monitor reset halt
JTAG tap: auto0.tap tap/device found: 0x000f1005 (mfg: 0x002, part: 0x00f1, ver: 0x0)
target state: reset
entered debug state at PC 0xbfc00000, target->state: halted
target state: halted
target halted in MIPS32 mode due to debug-request, pc: 0xbfc00000
загрузка прошивки
(gdb) load
Loading section .text_ram, size 0x260 lma 0x80001000
Loading section .init, size 0x24 lma 0x80001260
Loading section .fini, size 0x1c lma 0x80001284
Loading section .eh_frame, size 0x4 lma 0x800012a0
Loading section .data, size 0xc lma 0x800012a4
Loading section .ctors, size 0x8 lma 0x800012b0
Loading section .dtors, size 0x8 lma 0x800012b8
Loading section .jcr, size 0x4 lma 0x800012c0
Loading section .reset, size 0x280 lma 0x9fc00000
Start address 0xbfc00000, load size 1348
Transfer rate: 12 KB/sec, 149 bytes/write.
установка точки останова на вход в функцию main
(gdb) b main
Breakpoint 1 at 0x800011e0: file main.c, line 14.
запуск кода на выполнение
(gdb) c
Continuing.
entered debug state at PC 0x800011e0, target->state: halted
[Remote target] #1 stopped.
main () at main.c:14
warning: Source file is more recent than executable.
14 {
(gdb) i r
zero at v0 v1 a0 a1 a2 a3
R0 00000000 deadbeef 800011e0 00000010 00000000 00000002 80001000 00000000
t0 t1 t2 t3 t4 t5 t6 t7
R8 deadbeef deadbeef deadbeef deadbeef deadbeef deadbeef deadbeef deadbeef
s0 s1 s2 s3 s4 s5 s6 s7
R16 deadbeef deadbeef deadbeef deadbeef deadbeef deadbeef deadbeef deadbeef
t8 t9 k0 k1 gp sp s8 ra
R24 deadbeef deadbeef deadbeef deadbeef 800092a8 80040000 00000000 9fc00274
status lo hi badvaddr cause pc
00400000 00000100 00000000 c0000000 00000008 800011e0
(gdb)

Автор выражает благодарность коллективу переводчиков учебника Дэвида Харриса и Сары Харрис «Цифровая схемотехника и архитектура компьютера [29]», компании Imagination Technologies [30] за академическую лицензию на современное процессорное ядро, персонально Юрию Панчулу YuriPanchul [31] за его работу по популяризации MIPSfpga, а также DIHALT [32] за отладочную плату, которая вот уже который год не покидает поверхность моего стола.
[L1] — Как начать работать с MIPSfpga [2];
[L2] — Проект MIPSfpga-plus на github [3];
[L3] — FPGA плата Terasic DE10-Lite [4];
[L4] — Отладочная плата Pinboard II [5];
[L5] — Сайт компании FTDI [7];
[L6] — Интерфейс JTAG? — Это очень просто! [8]
[L7] — EJTAG: аттракцион для хакеров [10];
[L8] — OpenOCD: руководство пользователя (перевод) [15];
[L9] — Wikipedia. gdbserver [19];
[L10] — Документация VSCode: Debugging [20];
[L11] — Документация VSCode: C/C++ for VS Code [21];
[L12] — Codescape MIPS SDK [18];
[L13] — FTDI наносит ответный удар [22];
[L14] — Воскрешаем FTDI в картинках [23];
[L15] — MPSSELight. Lightweight .net MPSSE library [24];
[L16] — Согласование логических уровней 5В и 3.3В устройств [26]
[L17] — Visual Studio Code [28];
[D1] — FTDI FT2232D Datasheet [6];
[D2] — FTDI Application Note AN 135. FTDI MPSSE Basics [11];
[D3] — FTDI Application Note AN 108. Command Processor for MPSSE and MCU Host Bus Emulation Modes [12];
[D4] — FTDI Software Application Development. D2XX Programmer's Guide [13];
[D5] — Debugging with gdb. Codescape GNU Tools 2016.05-03 for MIPS MTI Bare Meta [17];
[D6] — MIPS32 microAptiv UP Processor Core Family Integrator’s Guide [25];
[D7] — EJTAG Specification. Document Number: MD00047 [9];
[D8] — OpenOCD User’s Guide for release 0.8.0 [16];
[D9] — Using the GNU Compiler Collection. Codescape GNU Tools 2016.05-03 for MIPS MTI Bare Metal [14];
[D10] — MIPSfpga Getting Started Guide [33];
[P1] Основные элементы системы [34];
[P2] Характеристики микросхем USB-адаптеров FTDI [35] (источник: L5 [7]);
[P3] Фрагмент схемы отладочной платы Pinboard II [36] (источник: L4 [5]);
[P4] Типовая схема подключения по EJTAG интерфейсу [37] (источник: D6 [25]);
[P5] Таблица подключения USB-модуля к ПЛИС [38];
[P6] Регистр IDCODE [39] (источник: D7 [9]);
[P7] Visual Studio Code в режиме отладки (скриншот) [40].
Автор: SparF
Источник [41]
Сайт-источник PVSM.RU: https://www.pvsm.ru
Путь до страницы источника: https://www.pvsm.ru/verilog/245891
Ссылки в тексте:
[1] на github: https://github.com/zhelnio/memos
[2] L1: https://habrahabr.ru/post/275215/
[3] L2: https://github.com/MIPSfpga/mipsfpga-plus
[4] L3: http://de10-lite.terasic.com/
[5] L4: http://shop.easyelectronics.ru/index.php?categoryID=102
[6] D1: https://github.com/zhelnio/memos/blob/master/public/00_mips_ftdi_debug/doc/D1_DS_FT2232D.pdf
[7] L5: http://www.ftdichip.com/Products/ICs.htm
[8] L6: https://habrahabr.ru/post/190012/
[9] D7: https://github.com/zhelnio/memos/blob/master/public/00_mips_ftdi_debug/doc/D7_MD00047-2B-EJTAG-SPC-03.10.pdf
[10] L7: https://geektimes.ru/post/245066/
[11] D2: https://github.com/zhelnio/memos/blob/master/public/00_mips_ftdi_debug/doc/D2_AN_135_MPSSE_Basics.pdf
[12] D3: https://github.com/zhelnio/memos/blob/master/public/00_mips_ftdi_debug/doc/D3_AN_108_Command_Processor_for_MPSSE_and_MCU_Host_Bus_Emulation_Modes.pdf
[13] D4: https://github.com/zhelnio/memos/blob/master/public/00_mips_ftdi_debug/doc/D4_D2XX_Programmer's_Guide(FT_000071).pdf
[14] D9: https://github.com/zhelnio/memos/blob/master/public/00_mips_ftdi_debug/doc/D9_gcc.pdf
[15] L8: http://microsin.net/programming/ARM/openocd-manual-part1.html
[16] D8: https://github.com/zhelnio/memos/blob/master/public/00_mips_ftdi_debug/doc/D8_OpenOCD_User%E2%80%99s_Guide.pdf
[17] D5: https://github.com/zhelnio/memos/blob/master/public/00_mips_ftdi_debug/doc/D5_gdb.pdf
[18] L12: https://community.imgtec.com/developers/mips/tools/codescape-mips-sdk/
[19] L9: https://en.wikipedia.org/wiki/Gdbserver
[20] L10: https://code.visualstudio.com/docs/editor/debugging
[21] L11: https://code.visualstudio.com/docs/languages/cpp
[22] L13: https://geektimes.ru/post/258842/
[23] L14: https://geektimes.ru/post/258848/
[24] L15: https://github.com/zhelnio/MPSSELight
[25] D6: https://github.com/zhelnio/memos/blob/master/public/00_mips_ftdi_debug/doc/D6_MIPS32_microAptiv_UP_Processor_Core_Family_Integrator%E2%80%99s_Guide.txt
[26] L16: http://we.easyelectronics.ru/Shematech/soglasovanie-logicheskih-urovney-5v-i-33v-ustroystv.html
[27] на github: https://github.com/zhelnio/memos/tree/master/public/00_mips_ftdi_debug/src
[28] L17: https://code.visualstudio.com/
[29] Цифровая схемотехника и архитектура компьютера: https://habrahabr.ru/post/259505/
[30] Imagination Technologies: https://www.imgtec.com/
[31] YuriPanchul: https://habrahabr.ru/users/yuripanchul/
[32] DIHALT: https://habrahabr.ru/users/dihalt/
[33] MIPSfpga Getting Started Guide: https://github.com/zhelnio/memos/blob/master/public/00_mips_ftdi_debug/doc/D10_MIPSfpga_Getting_Started_Guide.txt
[34] Основные элементы системы: https://github.com/zhelnio/memos/blob/master/public/00_mips_ftdi_debug/doc/P1_structure_diagram.png
[35] Характеристики микросхем USB-адаптеров FTDI: https://github.com/zhelnio/memos/blob/master/public/00_mips_ftdi_debug/doc/P2_ftdi_mpsse_ic.png
[36] Фрагмент схемы отладочной платы Pinboard II: https://github.com/zhelnio/memos/blob/master/public/00_mips_ftdi_debug/doc/P3_pinboard_2_ftdi_fragment.png
[37] Типовая схема подключения по EJTAG интерфейсу: https://github.com/zhelnio/memos/blob/master/public/00_mips_ftdi_debug/doc/P4_ejtag_connection.png
[38] Таблица подключения USB-модуля к ПЛИС: https://github.com/zhelnio/memos/blob/master/public/00_mips_ftdi_debug/doc/P5_ftdi_debugger_connection_table.png
[39] Регистр IDCODE: https://github.com/zhelnio/memos/blob/master/public/00_mips_ftdi_debug/doc/P6_reg_IDCODE.png
[40] Visual Studio Code в режиме отладки (скриншот): https://github.com/zhelnio/memos/blob/master/public/00_mips_ftdi_debug/doc/P7_VSCode_screen.png
[41] Источник: https://habrahabr.ru/post/322442/?utm_source=habrahabr&utm_medium=rss&utm_campaign=best
Нажмите здесь для печати.