- PVSM.RU - https://www.pvsm.ru -
В начале лета этого года я уже рассказывал про домофоны с оптическим ключом. И так уж вышло, что в статье речь шла исключительно про самый популярный тип ключа с пятью тройками дырочек. Но, само собой, существовали и другие устройства.

Итак, сегодня поговорим об оптических считывателях и домофонах ранее неизвестной мне фирмы. Узнаем, как работали их ключи и разберёмся, как всё это запустить. Традиционно будет много интересного.
Началось всё традиционно для знакомства с подобными раритетами — моему товарищу попалась куча какого-то железа, явно списанного из домофонной компании. Увы, осмотр меня первоначально разочаровал — вместо стоявших у меня перед глазами «Цифралов», «Элтисов», «Импульсов» и прочих раритетов в коробке обнаружились вполне распространённые «Визиты», цифровые панели, блоки питания, какие-то провода и прочее нисколько мне не интересное ремонтное барахло.
Но кое-что всё же привлекло моё внимание: среди всякой ерунды обнаружились некие платы, панели с заменёнными внутренностями, оптические считыватели до этого ни разу не встречавшейся мне конструкции и более современные, но всё так же неизвестные мне блоки управления. На всём этом железе была указана компания «Санком». Что же с этим делать? Давайте разбираться.
Итак, что же за железо попало ко мне?

Первой на очереди идёт вот такая панель. И пусть вас не смущает то, что это кодовый замок Визит-МК, ведь оригинальные внутренности были выкинуты ещё в незапамятные годы, теперь же внутри стоит какой-то ремокомплект. Также было несколько блоков ЗПУ Bubum с аналогичным образом заменённой начинкой.

Плата управления. Как позже удалось выяснить, она для предыдущей панели. На ней МК от Atmel, память, а также куча светодиодов. И если назначение пяти рядом с предохранителем сходу не угадывается, то вот тридцать в ряд — явно состояние встроенного коммутатора. На это же намекают и тридцать транзисторов. Ещё из интересных элементов — сразу два чипа цифровых потенциометров. До этого в таких устройствах я их не встречал. Также любопытно, что в коммутаторе стоят дешифраторы К155ИД1, изначально разработанные для ГРИ и ныне так любимые «часовщиками».

Оптический контроллер BC3001, модель не гуглится. Помимо него было два оптосчитывателя, но о них чуть позже.


Блок управления от цифрового домофона. Точнее, о том, что он от цифрового домофона, можно только догадываться, если бы не панель Laskomex с приделанной внутри платой от такой же коробочки, я бы в жизни не понял, зачем он нужен. Распиновки опять же никакой нет. Отдельно на шлейфе вынесена панелька с памятью для удобства снятия и замены.
Ни одной инструкции на какое-то из данных изделий найти у меня не получилось. Нашлось только упоминание какой-то обслуживающей организации (вместе с гневными отзывами жильцов). Впрочем, я абсолютно уверен, что к производителю панелей она имеет такое же отношение как «Цифрал-сервис» к Цифралу.

Впрочем, в Москве осталось ещё немало панелей, модифицированных данной фирмой. Вот, например, Визит БВД-N100, немалое количество которых тоже было подвергнуто скрещиванию с новыми платами.
Так что пока что вопрос о том, кто делал все эти устройства и где найти на них документацию, остаётся открытым.
Ну что же, приступаем к экспериментам. Первым на очереди будет вот такой девайс. Это контроллер оптических ключей с маркировкой BC3001. «Модус-Н» — известная в узких кругах фирма, связанная с домофонами. Впрочем, таких считывателей я не видел.

А вот и сам оптический считыватель. На нём имеется красный светодиод для индикации. Щель для ключа более короткая, нежели на Цифрале или Элтисе.

Обратная сторона.

Все его внутренности залиты силиконовым герметиком. Он надёжно защищает считыватель от пыли и грязи, которых так боялся Цифрал и Элтис.

Оптические ключи. Они отличаются от тех, что я показывал полгода назад — тут восемь рядов, в каждом из которых по две дырочки. Если вспомнить, что в каждом из рядов должно быть хотя бы одно отверстие, то всего получается по три варианта на ряд или 6561 ключей. Это меньше, чем у привычного нам ключа с пятью рядами по три отверстия.

Разбираем коробочку. Внутри нас ждёт плата с реле, пищалкой, микроконтроллером PIC16F628 и транзисторной сборкой ULN2003. Считыватель уже был подсоединён к плате, так что разбираться с подключением не пришлось. Плата приклеена к корпусу на термоклей. К слову говоря, сам корпус аналогичен тем, в какие устанавливаются платы коммутаторов Визит. Распиновка указана на плате и продублирована на коробочке, так что указывать её тут не вижу смысла.

Подаём питание. Раздаётся одиночный писк, загорается светодиод. При вставке ключа девайс пищит, На кнопку открытия (контакты SB и GND) реакция тоже есть. Самое время разобраться, как записать ключ.
Меня сразу заинтересовала перемычка. Одно из её положений как раз служит для записи ключа. Нужно насадить её, вставить ключ двумя сторонами, а затем снять. Функции удаления ключа тут нет, свежие ключи затирают ранее записанные. Хранится их в памяти много (в районе 16 штук), проверил я это записью одного и того же ключа и выяснением, спустя сколько попыток перестанут читаться остальные.
Другое положение перемычки отвечает за длительность открывания замка. Меняется оно весьма своеобразно: надо вставить ключ, записанный в память, и держать его столько, сколько надо. На контроллерах с ТМ-ключами такой способ настройки не редкость, но на оптических я вижу впервые.
А вот ещё один экземпляр. Мне достоверно неизвестно, действительно ли это Санком, но звуки и формат ключа позволяют отнести его к нему. Судя по датам выпуска компонентов, это изделие ранних девяностых (ориентировочно — 1992-1993).

Здесь считыватель и контроллер объединены на одной плате. Отчётливо видны диоды, пищалка, выводы подсветки считывателя.

С другой стороны у него контроллер с нечитабельной маркировкой (судя по всему, такой же PIC), парочка транзисторов, транзисторная оптопара (что именно она развязывает, неясно).

Считыватель. Мне даже досталась монтажная пластина для него.
От контроллера отходит целый жгут проводов, из которых красный — плюс, два белых — земля, два чёрных — кнопка открытия двери, два зелёных — замок. Синий служит для управления внешними устройствами — когда замок открыт с кнопки или по ключу, то на нём появляется низкий уровень.
Если подать питание, то ничего интересного не происходит. При вставке ключа раздаётся такой же одиночный писк. На открытие двери он реагирует аналогично предыдущему.
Увы, записать ключ на него не вышло: никакие манипуляции типа включения с зажатой кнопкой выхода или долгого её удержания не помогли. А перемычки подобной той, что была на предыдущем, тут нет. Рядом со считывателем есть какие-то четыре контакта (к одному из которых что-то припаяно), но замеры напряжения показали, что это определённо не то. Скорее всего, для записи тут нужен мастер-ключ, который у меня отсутствует.

А вот внутренности считывателя. Здесь датчики и светодиоды защищены от жизненных потрясений вставками из оргстекла. Это предотвращает глюки от попадания чего-то в считыватель, но, возможно, способно вызывать проблемы ввиду истирания и последующего помутнения этих вставок. Впрочем, ко мне девайс попал абсолютно рабочим и исправно пищал при вставке ключа, чего не скажешь о показанных ранее «традиционных» считывателях, которые все как один пришлось перебирать.
А вот ещё более ранний образец. Изначально я посчитал, что ему нужен блок управления, но нет, это полноценный оптический контроллер.


Собран он полностью на дискретной логике. В основе два сдвоенных четырёхразрядных счётчика К561ИЕ10А, мультиплексор К561КП2, триггер К561ТМ2, инвертор К561ЛН2, также видно парочку мощных транзисторов и герконовое реле РГК15 — надо полагать, для управления замком. Один из счётчиков отвечает за переключение каналов мультиплексора, другой в паре с триггером — за считывание. На К561ЛН2 собран генератор импульсов, которые подаются на счётные входы первой К561ИЕ10А. Датчики (в лице фотодиодов, включённых в фотодиодном режиме) коммутируют высокий уровень на входах сброса. Таким образом, при вставке ключа счёт прекращается, что и воспринимается как начало считывания. На этот раз ключ содержит всего семь рядов, а возможных состояний всего два: отверстие с одной стороны или с другой. Таким образом, всего существует 128 различных ключей. Паттерн ключа программируется семью перемычками в углу платы: перекушенная — отверстие в одном месте, замкнутая — в другом. Само собой, записать несколько ключей (или один и тот же ключ, но двумя сторонами) из-за этого не выйдет. Перемычки эти подключены к мультиплексору, выводы которого перебирает первый счётчик второй К561ИЕ10А. Если значение с датчика совпало с ожидаемым, то второй счётчик этой микросхемы прибавляется на единицу. Это объясняет, почему рядов именно семь: дверь откроется, когда на трёх младших разрядах этого счётчика будет высокий уровень. Если же какой-то из рядов отличается, то заветное 0111 на контактах не появится.
Следующим изделием, что нам предстоит рассмотреть, будет некий домофон в корпусе кодового замка «Визит-МК».

Если разобрать панель, то можно увидеть, что она была подвергнута серьёзным модификациям: штатная электроника выкинута, возвращены динамик и микрофон (домофон «Визит-М» и кодовая панель «Визит-МК» имели одинаковые корпуса, отчего здесь просто поставили динамик и микрофон туда, где они и должны были стоять), добавлен светодиод. Провода от ТМ-считывателя откушены, по-видимому, предполагалось использовать внешний (возможно, что даже в лице какого-то из предыдущих).

Плата крупным планом. На ней два разъёма для шлейфов, один из них — для блока управления, другой — для начинки панели. Микроконтроллер PIC16F84.

Десятиконтактный разъём, судя по толстым дорожкам, расходящимся к двум диодным мостам, служит определённо для питания. Подключаем к нему трансформаторный БП (для тестов им выступил БП от «Факториала»), и плата оживает: загораются светодиоды, на мгновение вспыхивает один из рядов в углу. К плате панели был подключён шлейф, оканчивавшийся разъёмом DIN-7. Аналогичный удалось найти и для этой платы управления, отчего стало понятно, что это, похоже, один комплект. По земле и питанию удалось выяснить, что, похоже, панель и плата действительно совместимы. А раз так, то паяем кабель и соединяем им эти два разъёма. Подаём питание, и всё отлично работает: панель пищит и реагирует на нажатие кнопок. Набираем какой-то номер, раздаётся сигнал вызова, а один из светодиодов загорается. Как я и думал, они действительно отображают состояние коммутатора. По идее, такая система должна облегчить выявление неисправностей вроде перепутанной полярности трубки или короткого замыкания, когда вызов идёт в несколько квартир сразу.
Самым сложным было найти инструкцию на это устройство. Её мне заполучить так и не вышло. Но кое-что удалось выяснить. В частности, что режим программирования состоит из восьми групп. На каждую из них стоит свой пароль, а для входа надо набрать этот код и жмякнуть К. Далее последовали долгие разбирательства с чтением памяти, вводом разных кодов и прочие эксперименты.
Итак, функции оказались такими:
Также есть функция 0 — это сброс настроек. Каждая из нажатых в этом меню цифр сбрасывает какой-то свой параметр.
Номера функций установлены такие, какие используются для смены кодов в меню 8. Само собой, всё это было получено опытным путём, так что не стоит тыкать наугад.
Устройство не имеет считывателя ключей, поэтому память явно предназначена для хранения настроек и паролей. Считывание этой микросхемы после смены пароля и сравнение дампов показало, что нужные нам данные действительно лежат в этой EEPROMке.
Поэтому устанавливаем на все функции разные коды и пробуем понять, где какой лежит.
00 00 00 00 00 00 FF FF 00 01 00 01 00 00 FF FF 00 02 00 02 00 00 FF FF 00 03 00 03 00 00 FF FF 00 04 00 04 00 00 FF FF 00 05 00 05 00 00 FF FF 00 06 00 06 00 00 FF FF 00 07 00 07 00 00 FF FF 00 08 00 08 00 00 FF FF 00 09 00 09 00 00 FF FF 00 0A 00 0A 00 00 FF FF 00 0B 00 0B 00 00 FF FF 00 0C 00 0C 00 00 FF FF 00 0D 00 0D 00 00 FF FF 00 0E 00 0E 00 00 FF FF 00 0F 00 0F 00 00 FF FF 00 10 00 10 00 00 FF FF 00 11 00 11 00 00 FF FF 00 12 00 12 00 00 FF FF 00 13 00 13 00 00 FF FF 00 14 00 14 00 00 FF FF 00 15 00 15 00 00 FF FF 00 16 00 16 00 00 FF FF 00 17 00 17 00 00 FF FF 00 18 00 18 00 00 FF FF 00 19 00 19 00 00 FF FF 00 1A 00 1A 00 00 FF FF 00 1B 00 1B 00 00 FF FF 00 1C 00 1C 00 00 FF FF 00 1D 00 1D 00 00 FF FF 00 1E 00 1E 00 00 FF FF 00 1F 00 1F 00 00 FF FF 00 20 00 20 00 00 FF FF 00 21 00 21 00 00 FF FF 00 22 00 22 00 00 FF FF 00 23 00 23 00 00 FF FF 00 24 00 24 00 00 FF FF 00 25 00 25 00 00 FF FF 00 26 00 26 00 00 FF FF 00 27 00 27 00 00 FF FF 00 28 00 28 00 00 FF FF 00 29 00 29 00 00 FF FF 00 2A 00 2A 00 00 FF FF 00 2B 00 2B 00 00 FF FF 00 2C 00 2C 00 00 FF FF 00 2D 00 2D 00 00 FF FF 00 2E 00 2E 00 00 FF FF 00 2F 00 2F 00 00 FF FF 00 30 00 30 00 00 FF FF 00 31 00 31 00 00 FF FF 00 32 00 32 00 00 FF FF 00 33 00 33 00 00 FF FF 00 34 00 34 00 00 FF FF 00 35 00 35 00 00 FF FF 00 36 00 36 00 00 FF FF 00 37 00 37 00 00 FF FF 00 38 00 38 00 00 FF FF 00 39 00 39 00 00 FF FF 00 3A 00 3A 00 00 FF FF 00 3B 00 3B 00 00 FF FF 00 3C 00 3C 00 00 FF FF 00 3D 00 3D 00 00 FF FF 00 3E 00 3E 00 00 FF FF 00 3F 00 3F 00 00 FF FF 00 40 00 40 00 00 FF FF 00 41 00 41 00 00 FF FF 00 42 00 42 00 00 FF FF 00 43 00 43 00 00 FF FF 00 44 00 44 00 00 FF FF 00 45 00 45 00 00 FF FF 00 46 00 46 00 00 FF FF 00 47 00 47 00 00 FF FF 00 48 00 48 00 00 FF FF 00 49 00 49 00 00 FF FF 00 4A 00 4A 00 00 FF FF 00 4B 00 4B 00 00 FF FF 00 4C 00 4C 00 00 FF FF 00 4D 00 4D 00 00 FF FF 00 4E 00 4E 00 00 FF FF 00 4F 00 4F 00 00 FF FF 00 50 00 50 00 00 FF FF 00 51 00 51 00 00 FF FF 00 52 00 52 00 00 FF FF 00 53 00 53 00 00 FF FF 00 54 00 54 00 00 FF FF 00 55 00 55 00 00 FF FF 00 56 00 56 00 00 FF FF 00 57 00 57 00 00 FF FF 00 58 00 58 00 00 FF FF 00 59 00 59 00 00 FF FF 00 5A 00 5A 00 00 FF FF 00 5B 00 5B 00 00 FF FF 00 5C 00 5C 00 00 FF FF 00 5D 00 5D 00 00 FF FF 00 5E 00 5E 00 00 FF FF 00 5F 00 5F 00 00 FF FF 00 60 00 60 00 00 FF FF 00 61 00 61 00 00 FF FF 00 62 00 62 00 00 FF FF 00 63 00 63 00 00 FF FF FF FF FF FF 00 00 FF FF FF FF FF FF 00 00 FF FF FF FF FF FF 00 00 FF FF FF FF FF FF 00 00 FF FF FF FF FF FF 00 00 FF FF FF FF FF FF 00 00 FF FF FF FF FF FF 00 00 FF FF FF FF FF FF 00 00 FF FF FF FF FF FF 00 00 FF FF FF FF FF FF 00 00 FF FF FF FF FF FF 00 00 FF FF FF FF FF FF 00 00 FF FF FF FF FF FF 00 00 FF FF FF FF FF FF 00 00 FF FF FF FF FF FF 00 00 FF FF FF FF FF FF 00 00 FF FF FF FF FF FF 00 00 FF FF FF FF FF FF 00 00 FF FF FF FF FF FF 00 00 FF FF FF FF FF FF 00 00 FF FF FF FF FF FF 00 00 FF FF FF FF FF FF 00 00 FF FF FF FF FF FF 00 00 FF FF FF FF FF FF 00 00 FF FF FF FF FF FF 00 00 FF FF FF FF FF FF 00 00 FF FF FF FF FF FF 00 00 FF FF FF FF FF FF 00 00 FF FF FF FF FF FF 00 00 FF FF FF FF FF FF 00 00 FF FF FF FF FF FF 00 00 FF FF FF FF FF FF 00 00 FF FF FF FF FF FF 00 00 FF FF FF FF FF FF 00 00 FF FF FF FF FF FF 00 00 FF FF FF FF FF FF 00 00 FF FF FF FF FF FF 00 00 FF FF FF FF FF FF 00 00 FF FF FF FF FF FF 00 00 FF FF FF FF FF FF 00 00 FF FF FF FF FF FF 00 00 FF FF FF FF FF FF 00 00 FF FF FF FF FF FF 00 00 FF FF FF FF FF FF 00 00 FF FF FF FF FF FF 00 00 FF FF FF FF FF FF 00 00 FF FF FF FF FF FF 00 00 FF FF FF FF FF FF 00 00 FF FF FF FF FF FF 00 00 FF FF FF FF FF FF 00 00 FF FF FF FF FF FF 00 00 FF FF FF FF FF FF 00 00 FF FF FF FF FF FF 00 00 FF FF FF FF FF FF 00 00 FF FF FF FF FF FF 00 00 FF FF FF FF FF FF 00 00 FF FF FF FF FF FF 00 00 FF FF FF FF FF FF 00 00 FF FF FF FF FF FF 00 00 FF FF FF FF FF FF 00 00 FF FF FF FF FF FF 00 00 FF FF FF FF FF FF 00 00 FF FF FF FF FF FF 00 00 FF FF FF FF FF FF 00 00 FF FF FF FF FF FF 00 00 FF FF FF FF FF FF 00 00 FF FF FF FF FF FF 00 00 FF FF FF FF FF FF 00 00 FF FF FF FF FF FF 00 00 FF FF FF FF FF FF 00 00 FF FF FF FF FF FF 00 00 FF FF FF FF FF FF 00 00 FF FF FF FF FF FF 00 00 FF FF FF FF FF FF 00 00 FF FF FF FF FF FF 00 00 FF FF FF FF FF FF 00 00 FF FF FF FF FF FF 00 00 FF FF FF FF FF FF 00 00 FF FF FF FF FF FF 00 00 FF FF FF FF FF FF 00 00 FF FF FF FF FF FF 00 00 FF FF FF FF FF FF 00 00 FF FF FF FF FF FF 00 00 FF FF FF FF FF FF 00 00 FF FF FF FF FF FF 00 00 FF FF FF FF FF FF 00 00 FF FF FF FF FF FF 00 00 FF FF FF FF FF FF 00 00 FF FF FF FF FF FF 00 00 FF FF FF FF FF FF 00 00 FF FF FF FF FF FF 00 00 FF FF FF FF FF FF 00 00 FF FF FF FF FF FF 00 00 FF FF FF FF FF FF 00 00 FF FF FF FF FF FF 00 00 FF FF FF FF FF FF 00 00 FF FF FF FF FF FF 00 00 FF FF FF FF FF FF 00 00 FF FF FF FF FF FF 00 00 FF FF FF FF FF FF 00 00 FF FF C5 00 00 00 00 00 00 00 00 00 00 00 00 63 64 03 05 00 00 00 3C 5A 14 1E 00 01 32 02 00 00 05 00 07 01 06 00 07 02 09 00 04 02 03 00 08 02 03 00 06 02 07 00 08 02 03 00 08 02 02 00 05 02 07 00 07 02 05 00 06 02 00 00 00 00 00 00 00 00 00 00 00 00 00 00 00 00 00 00 00 00 00 00 00 00 00 00 00 00 00 00 09 0A 09 09 09 09 09 09 09 09 09 09 0A 01 01 01 01 01 01 01 01 01 01 0A 02 02 02 02 02 02 02 02 02 02 0A 03 03 03 03 03 03 03 03 03 03 0A 04 04 04 04 04 04 04 04 04 04 0A 05 05 05 05 05 05 05 05 05 05 0A 06 06 06 06 06 06 06 06 06 06 0A 07 07 07 07 07 07 07 07 07 07 0A 08 08 08 08 08 08 08 08 08 08 00 00 00 00 00 00 00 00 00 00 00 00 00 00 00 00 00 00 00 00 00 00 00 00 00 00 00 00 00 00 00 00 00 00 00 00 00 00 00 00 00 92 00 00 00 00 00 00 00 00 00 00 00 00 00 00 00 00 00 00 00 00 C5 00 00 00 00 00 00 00 00 00 00 92 00 00 00 00 00 00 00 00 00 00 00 00 00 00 00 00 00 00 00 00 00 95 91 00 00 00 00 00 00 00 00 00 00 00 00 92 00 00 93 00 00 00 00 00 00 00 00 00 00 00 00 00 00 00 00 00 00 00 00 00 00 00 00 00 00 92 00 00 00 00 00 00 00 00 00 00 00 00 00 00 00 00 00 00 00 00 00 00 00 00 00 00 00 00 00 00 00 00 00 00 00 00 00 00 00 00 00 00 00 00 00 00 00 00 00 00 00 00 00 00 00 00 00 00 00 00 00 00 00 00 00 00 00 00 00 00 00 00 00 00 00 00 00 00 00 00 00 00 00 00 00 00 00 00 00 00 00 00 00 00 00 00 00 00 00 00 00 00 00 00 00 00 00 00
Вплоть до смещения 640h идёт какая-то непонятная структура, а вот дальше начинается всё самое интересное. По адресу 6A6h лежит первый код — для функции 0. Занимает он десять байт, по одному для каждой цифры. Перед ним, по адресу 6A5h, лежит длина этого кода. Если он короче десяти байт, то последующие цифры забиваются нулями. То есть, например, код 9999999999 будет представлен как 0A 09 09 09 09 09 09 09 09 09 09, а 12345 — как 05 01 02 03 04 05 00 00 00 00 00. Сразу после этого кода лежат пароли для функций 1-8. Они записаны в таком же формате. Для примера в этом дампе коды записаны такие:
Обнаружить их не составляет труда.
Устройство работало, но была одна проблема: при подключении трубки в динамике панели что-то тихонько попискивало, но вот звонка не было. Ну что же, время разбираться.
Схем подключения у меня нет, но после прозвонки становится ясной распиновка широкого разъёма. Это действительно коммутатор, как я и думал. Оказалось, что близко расположенные друг к другу транзисторы — ключи единиц, а двадцать других — ключи десятков. Соответственно, две К155ИД1 являются драйверами ключей десятков. А широкие дорожки, подходящие к двум крайним контактам разъёма — линия и земля.
Пробуем подрубить к ним трубку, звоним… и ничего. Замеры мультиметром показали, что напряжение в линии не поднимается выше 0,2 вольт. Это явно мало. В чём же дело? Давайте разбираться.
Ну и для начала на примере другого девайса поговорим о том, как устроен такой коммутатор и как же я смог определить выводы единиц и десятков.


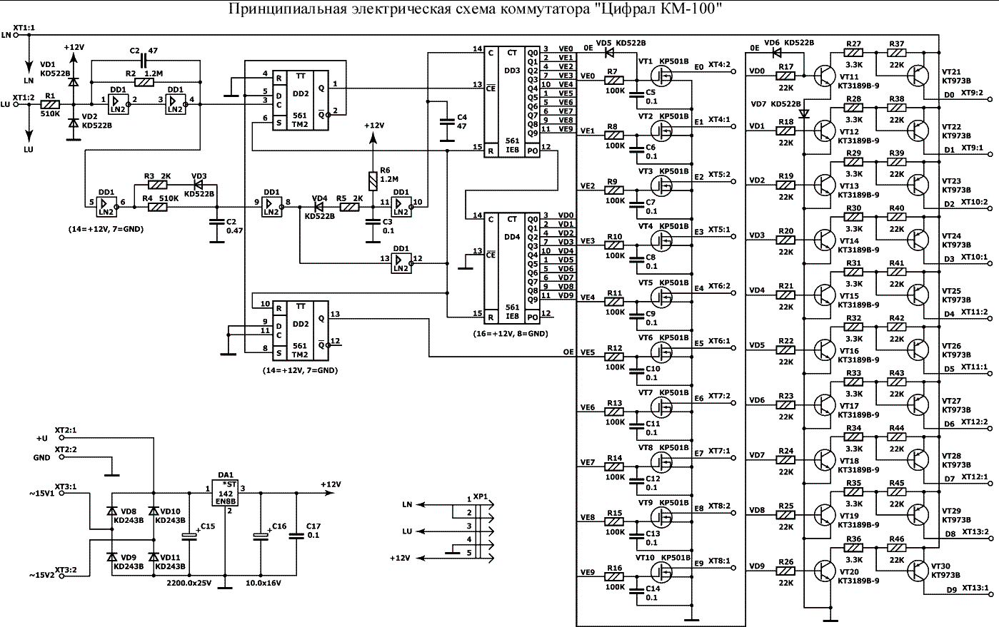
Вот для примера Цифрал КМ-100. Девайс настолько же реликтовый, насколько предмет нашего обзора, применялся совместно с домофонами CCD 2094/0, CCD 2094/TC и другими моделями середины и конца девяностых годов.

Разберём его. Внутри маленькая плата, на которой куча транзисторов и пара микросхем счётчиков.

А вот и его схема. Вообще, большинство коммутаторов построены примерно одинаково, есть даже универсальные коммутаторы, переключающиеся на разные марки перестановкой перемычек.
Самой главной составляющей такого девайса являются ключи десятков и единиц. Первые коммутируют линию, вторые — землю. В данном девайсе таковыми ключами являются N-канальные полевики и PNP-транзисторы. В «Санкоме» всё несколько проще, там стоят NPN-транзисторы на землю и PNP — на линию. Прозвонка выявила, что ни один из них не пробит, значит, скорее всего, коммутатор исправен.
Поэтому запускаем тест встроенного коммутатора. Единицы проходят нормально, а вот тест десятков завершается с ошибкой. Я пробовал вытащить микросхемы К155ИД1 и проверить их, но они оказались исправны. Тем не менее, домофон всё равно сообщал о замыкании на линии.
Ну что же, время разбираться дальше. У меня нет схемы на всё это железо, так что придётся выяснять самому.

Поиски привели меня вот к этому элементу — это транзистор КТ814. Он не был пробит, но при звонке уровень на нём не менялся. Этот транзистор является частью усилителя, формирующего напряжение в линии. Для проверки я попробовал закоротить его выводы, подключив выход маломощного звукового усилителя напрямую к линии, после чего запустил тест десятков. Сигнал об ошибке пропал, значит, мои предположения о том, что вылетел именно этот транзистор, оправдались. Самое время впаять новый на замену и попробовать включить.

Транзистор, снятый с платы. Впаиваем такой же на его место и подаём питание. Пробуем звонить. Уже лучше: на этот раз домофон не звонит неведомо куда, а сразу сбрасывает вызов. Подключаем трубку, и оно таки работает! Действительно, проблема была именно тут, а не в коммутаторе или где-то ещё. Теперь при звонке загорается и светодиод десятков, как это должно быть. Запускаем тесты коммутатора, на этот раз всё проходит успешно. Восстановление этого девайса можно считать успешно завершённым.
Чтобы показать действующий девайс, я даже снял видео. Да, в плане звуков это, пожалуй, самый интересный экземпляр из всех, что доводилось встречать. Помимо простых сигналов есть целая куча восьмибитных мелодий, среди которых есть даже такие как «Подмосковные вечера», «Калинка» и «В лесу родилась ёлочка». Всего их около шестнадцати, прослушать их в каком-то меню, увы, нельзя. При каждом вызове мелодия выбирается очень фальшивым ГСЧ (может пять раз проиграться одно и то же, а потом вдруг выбраться что-то поинтереснее). Увы, на видео все они не попали.
Также выяснилось и назначение последнего светодиода на плате — он загорается при открытии двери.
Мне неведомо, почему считыватель на панели так и не был задействован. Скорее всего, изначально это железо разрабатывалось как ремкомплект для модернизации домофонов Визит-М, Визит-К и Визит ЗПУ, оснащённых резистивными считывателями или не имеющих таковых вообще, а в корпус кодовой панели плата попала уже потом. В качестве считывателей использовались же либо внешние контроллеры ТМ-ключей, либо оптические экземпляры вроде тех, что были показаны ранее.
Этот девайс уже куда более поздний и имеет опосредованное отношение к показанному ранее железу. Но всё же он произведён этой же фирмой, так что есть смысл его упомянуть.

Это блок управления для вот таких вот цифровых панелей Raikmann/Laskomex.

А вот и внутренности. По схемотехнике плата очень похожа на другие цифровые домофоны: те же два усилителя TBA (TEA) 820, реле, пятивольтовый стабилизатор. Интересно, что разъёмы тут D-Sub, повсеместно встречающиеся в компьютерной технике, но являющиеся крайне редким гостем в данной области.

Обратная сторона. Микроконтроллер PIC18F46K22.
В отличие от предыдущего железа, разобраться с программированием этой штуки удалось легко. Оно очень близко к цифровым домофонам Raikmann (Маршал) CD-2255. Так что никаких проблем с настройкой данной штуки возникнуть не должно.
Хотя за пределами Москвы об этих домофонах никто не слышал, в самой Москве их предостаточно. А раз есть такие панели, значит, кому-то наверняка интересно, что это и как оно работает.
Как и другие «локальные» модели домофонов (о других представителях которых я тоже когда-нибудь расскажу), этот экземпляр тоже весьма интересен. Более того, из всех домофонов, что я видел, в плане схемотехники это один из самых необычных.
Такие дела.
Автор: Лев
Источник [1]
Сайт-источник PVSM.RU: https://www.pvsm.ru
Путь до страницы источника: https://www.pvsm.ru/news/388874
Ссылки в тексте:
[1] Источник: https://habr.com/ru/companies/timeweb/articles/776396/?utm_source=habrahabr&utm_medium=rss&utm_campaign=776396
Нажмите здесь для печати.