- PVSM.RU - https://www.pvsm.ru -
Друзья! Многие ли из вас помнят такой телефон, как Nokia N-Gage? В начале нулевых финская компания сделала смелую попытку ворваться на рынок игровых консолей, создав устройство, которое сочетало в себе сразу две функции: полноценный смартфон на базе аппаратной платформы WD2 с Symbian на борту и игровая консоль с собственными картриджами! Год назад читатель подарил мне N-Gage QD с некоторыми аппаратными проблемами, которую я успешно оживил и подготовил подробную статью, в которой мы: узнаем историю появления N-Gage на свет и на чём он работал «под капотом», отремонтируем устройство и узнаем о самых частых аппаратных «болячках» смартфонов Nokia на платформе WD2, а также посмотрим на местную игровую библиотеку подробнее и выясним особенности разработки игр под Symbian! Интересно? Тогда добро пожаловать под кат!
Пожалуй, в истории мобильного подразделения Nokia, N-Gage один из самых желанных и неоднозначных устройств, когда либо разработанных компанией. Девайс прошёл долгий путь от смартфона, который ругали чуть ли не все, до легендарного устройства, которое ценится некоторыми людьми и сейчас.


Я писал материал о Xperia Play год назад
В начале нулевых, рынок мобильных игр начинал активно развиваться. С ростом мощностей мобильных девайсов и появлением цветных дисплеев, стали появляться самые разные платформы для запуска мобильных приложений и продажи игр через операторские сети. Например, довольно большим успехом пользовалась перспективная платформа Mophun (Sony Ericsson T310, T610), которая использовала собственный платформо-независимый байткод. Помимо этого, в платформе были уже готовые библиотеки для упрощения разработки игр: вывод 2D спрайтов, 3D графики (программный рендеринг), звука и обработка ввода. Нельзя также не вспомнить о Qualcomm BREW — который использовался во многих CDMA-телефонах в США и была по настоящему нативной, позволяя использовать все ресурсы телефона. Но самой популярной стала, конечно же, J2ME, которая предустанавливалась на большинство телефонов до ~2014 года.

Sony Ericsson T610 — один из девайсов, поддерживающих Mophun
Само собой Nokia не могли упустить момент и не попытаться занять нишу на мобильном рынке игр. У Nokia было две основные платформы: S40, используемая в кнопочных телефонах и S60, платформа основанная на Symbian, которая использовалась в смартфонах компании. Уже в 2003 году, в платформах S40 и S60 была полноценная поддержка J2ME игр и Java показывала себя как достаточно перспективная платформа. Nokia даже реализовали свои собственные расширения для J2ME, дабы игры могли использовать больше возможностей устройства, чем предоставляет MIDP. В целом, телефоны Nokia были очень популярными, благодаря чему почти все J2ME игры имели собственную версию под S40 (а иногда и более навороченные под S60).
N-Gage, который должен был объединить телефон и игровую консоль, был анонсирован ещё в ноябре 2002 года, однако вышел в свет 7 октября 2003 года.

Первая версия N-Gage
Однако N-Gage был отнюдь не первым устройством в подобном дизайне. Его предком принято считать Nokia 3300 — смартфон, который в первую очередь был ориентирован для использования в качестве мультимедийного устройства и прослушивания музыки. Тем не менее, устройство тоже поддерживало J2ME и его формально можно было назвать «игровым».

N-Gage был встречен весьма неоднозначно. В устройстве было достаточно много как аппаратных, так и программных недоработок, которые вызывали недовольство среди пользователей. Первая и пожалуй самая главная для игровой консоли — отсутствие возможности горячей смены картриджей с играми. Сами игровые картриджи были реализованы в виде обычных MMC-карт памяти, однако, судя по всему в S60 не было поддержки «горячей» замены карт памяти как таковой, из-за чего для смены игры необходимо было сначала достать аккумулятор, заменить флэшку с игрой, установить аккумулятор, включить устройство и дождаться его загрузки (секунд 15) и только потом уже начинать играть. А учитывая, что это был телефон, то довольно длительное пребывание вне сети устраивало далеко не всех пользователей.

Картриджи были проблемой и для жителей отдаленных регионов. В России, насколько мне известно, картриджи можно было купить только в Москве и СПБ, хотя возможно и ещё в каких-то больших городах. Но вот, например, у меня, жителя Ейска, едва ли была возможность купить картридж «физически» — разве что только под заказ. Другое дело Java игры, которые весили по 50-100 килобайт в те годы и без проблем скачивались даже через мобильный интернет. Впрочем, судя по всему, никакого особого DRM в N-Gage играх не было и после того, как энтузиасты научились сливать игры с MMC-карточек — на N-Gage начало процветать пиратство.

Даже с точки зрения звонков у девайса были свои нарекания. Конструктивно инженеры Nokia решили расположить слуховой динамик не с лицевой части, а с боковой. Из-за этого для разговоров приходилось переворачивать телефон боком. Выглядело это весьма необычно для прохожих, незнакомых с N-Gage. :)
Тем не менее, в устройстве были и революционные решения: вспомнить хотя-бы N-Gage Arena, который объединял мобильных игроков в одну сеть с друзьями, таблицами рекордов и т. д.

Чуть меньше чем через год, в мае 2004 года вышла N-Gage QD: исправленная и доработанная версия N-Gage, в которой заметно изменили дизайн, добавили поддержку замены картриджей без выключения девайса и добавили слуховой динамик на переднюю часть корпуса. Именно эта версия N-Gage стала популярной и её чаще всего можно найти на онлайн-барахолках.
И хотя N-Gage ругали за недоработки, мобильным игрокам она полюбилась за высокий уровень игр для телефонов тех лет: графика была гораздо лучше чем на GBA и была близка по уровню к PS1, геймплей разнообразнее, чем в Java-версиях, да и сами игры имели довольно большой полноценный сюжет. Это был действительно замах на уровень таких мастодонтов, как Nintendo! Приятным бонусом была полноценная поддержка Java-игр, благодаря чему на телефоне можно было гораздо удобнее проходить уже вышедшие игры для MIDP 1.0, даже если вся библиотека игр N-Gage уже была пройдена!

Не менее интересно девайс устроен и «под капотом». Как я уже говорил выше, N-Gage был построен на базе зарекомендовавшей себя платформы Nokia WD2, которая использовалась в смартфонах 3650, 3300, 3230, 6600 и.т.д. Многие годы смартфоны Nokia работали на базе чипсетов OMAP, в случае WD2 это скорее всего (не точно, есть вероятность что UPP собственной разработки — как и в случае с S40) были специализированные версии OMAP с «перевернутыми» регистрами для предотвращения портирования Linux на устройства Nokia, поскольку OMAP были доступны рядовым энтузиастам.

Характеристики N-Gage были следующими:
Как видите, ни о каком GPU и речи не шло. Вся отрисовка полагалась исключительно на процессор и результат того, что даже такие крутые 3D-игры как Tony Hawks и Tomb Raider идут на N-Gage — заслуга программистов, которые оптимизировали свои рендереры для работы на 104МГц ядре! А ведь некоторые телефоны тех лет (например, Motorola) использовали отдельные 2D GPU для ускорения отрисовки интерфейса и работы с камерой — ATI Imageon!
Благодаря тому, что девайс строился на смартфонной платформе, на нем можно было не только играть, но и слушать музыку, а также смотреть видео и серфить интернет. Весьма и весьма для тех лет!
Даже спустя несколько лет после выхода телефон N-Gage, сам бренд и платформа N-Gage Arena продолжила существование на флагманских смартфонах Symbian, которые уже не имели такой игровой дизайн. Одним из N-Gage 2.0 девайсов была легендарная Nokia N95, которая в плане игровой направленности была гораздо круче, поскольку в устройстве использовался GPU PowerVR MBX Lite. Да, точно такой же, как и в iPhone 2G!
Конечно же, рано или поздно я и сам хотел обзавестись собственной N-Gage, с чем мне помог мой читатель, причём всё как я люблю: девайс был полурабочим и требовал некоторого ремонта. Более года назад мне написал подписчик на DTF с никнеймом «Improved white bonkle» и предложил заслать N-Gage QD и ещё одну плату под ремонт с некоторыми аппаратными проблемами: первая плата висела на белом экране, а вторая просто висела на логотипе Nokia без подсветки экрана. Помимо N-Gage, читатель положил «толстую» зарядку и флэшку на 1Гб, за что ему огромное спасибо.

Читатель рассказывал, что девайс он покупал у некого коллекционера «гаг» в России и довольно много играл на ней в эксклюзивные игры для данной платформы. После поломки устройства, девайс лежал у него какое-то время, пока он не заметил мои статьи и не решил заслать устройство под ремонт в хорошие руки. :)
Ну что ж, давайте оживим девайс!

Я не зря отметил то, что девайс подарили мне более года назад. Мне удалось сразу продиагностировать N-Gage и обнаружить неисправности, однако фактически отремонтировать устройство у меня не вышло: в то время я откровенно «бомжевал» и у меня даже более-менее адекватной паяльной станции не было. Дабы было понятно: тогда я перепаял коннектор АКБ, сейчас я восстановил BTEMP. На данный момент мне материально активно помогаете вы, мои читатели, поэтому за год я смог обустроить небольшое рабочее место, пригодное для проведения большинства ремонтных работ.
Разбирается девайс очень просто, как и большинство телефонов Nokia тех лет: снимается передняя часть корпуса (панелька), откручиваются винты, снимается пластиковая часть с клавиатурой, дисплей и затем плата из задней части корпуса. Кстати, панельки очень часто любили менять для придания свежего вида устройству: эдакие скины тех лет. :)

Обратите внимание на то, что некоторые детские болячки пользователь и сам мог отремонтировать. Не работает разъём ЗУ, наушники, вибромотор или динамик? Пошёл, купил за 10 рублей на ближайшем радиорынке и сам поменял! Вот уж настоящий right to repair. :)

Визуально осмотрев плату, я пришёл к выводу, что плата скорее всего не копанная китайцами: компаунд UPP'а (процессор) и Mjoelner (радиотракт) был не тронут, флэша с виду тоже в норме, все элементы стояли ровно. Однако около коннектора аккумулятора, я обнаружил следы канифоли: кто-то явно вручную перепаивал коннектор АКБ. Спросив у читателя, я получил утвердительный ответ: он действительно пытался перепаять коннектор аккумулятора с помощью советского паяльника.
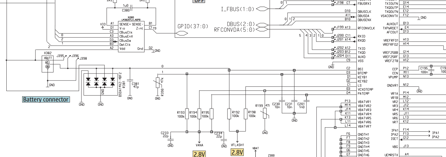
Но почему же тогда устройство виснет на заставке Nokia без подсветки? Давайте взглянем на схему:

У коннектора АКБ три контакта: плюс питания, масса и BSI, который уходит напрямую в UEM (контроллер питания). Смартфоны Nokia на платформе WD2 были очень капризны к сопротивлению на BSI и UEM отказывался давать разрешение на старт при установке несовместимого аккумулятора. Казалось бы, BL-4C, BL-5C и BL-5CB по размерам почти одинаковые, но имеют разное сопротивление на BSI.

Однако даже при установке совместимого АКБ, устройство отказывалось включаться. Вывод простой: линия BSI находится в обрыве. Первым делом я сдул коннектор АКБ, перепаял его и девайс наконец-то нормально включился… ненадолго.
Произошло падение в «белый экран», как и вторая плата. Причиной этому стала «стекляшка» рядом — токовый датчик LM3820: вероятно, в ходе ремонта коннектора, читатель умудрился неравномерно поплавить шары под стекляхой, из-за чего контакт нарушился. Стекляха среагировала на прогрев с флюсом и девайс снова включился…

Коннектор уже был в, скажем так, неидеальном состоянии, поэтому для точного исключения влияния коннектора я залудил пятачки. Чуть позже заменю коннектор, а то не очень красиво выглядит :)
Но не заряжался. :( При попытке зарядить девайс, система показывала сообщение «не заряжается» и потребление падало в ноль. Ремонт я проводил ещё тогда, когда у меня и станции нормальной не было, из-за чего я умудрился сколоть NTC-термистор прямо под коннектором аккумулятора (обычно он расположен либо с обратной стороны коннектора АКБ, либо с обратной стороны платы), прямо с пятачками.

Я знаю, что иногда меня читают опытные мастера с многолетним опытом, которые уже тянутся написать «Рукожоп! Мы в нулевых в ещё более тяжелых условиях умудрялись мобилки ремонтировать, а ты вон люкей себе не смог купить!». Но я лично считаю, что если косяк нормально исправлен, даже через год — то это не косяк. :) Поэтому лезем в схему и смотрим, куда у нас уходит BTEMP:

BTEMP идёт в UEM через обвязку в виде конденсатора C230, который расположен с обратной стороны платы, около КП. Найти его можно в Component finder'e, который можно найти в самом конце почти любой схемы на телефоны Nokia:


Подпаиваемся, включаем и девайс и… всё снова работает, в том числе и зарядка. :)
На этом ремонт устройства закончен.

Отдельное слово хотелось бы сказать о дисплеях: для N-Gage обычно их принято считать достаточно редкими. Однако есть нюанс: практически все смартфоны Nokia на платформе WD2 (и пару на BB5 — например, N70) использовали одну и ту же матрицу с параллельным интерфейсом. Различия были лишь в форме шлейфа. В N70, например, этот дисплей ставился «перевернутым», однако длины шлейфа не хватало для того, чтобы поставить дисплей в N-Gage. Тем не менее, теоретически можно попробовать поставить куда менее редкий дисплей от 6630.

В процессе подготовки материала и изучения схемы, я вывел небольшой мануал по базовой диагностике N-Gage и любого телефона Nokia на платформе WD2:
Как я уже говорил выше, читатель задарил мне ещё и флэшку, на которой было установлено куча игр: как портов игр с других платформ, так и нативных «дампов» с картриджей, а также эмуляторов. Было ли во что поиграть на N-Gage? Давайте узнаем:

Именно на платформу N-Gage вышло не так уж и много игр: всего около 50. Однако среди них всё равно найдется во что поиграть: многие известные издатели решили рискнуть и разработать игры по собственным вселенным для N-Gage. В каких-то случаях это были порты с других платформ (например, Asphalt 2 с PSP, хотя это не совсем верно, поскольку Asphalt изначально мобильная игра), в каких-то уникальные игры, дополняющие ЛОР той или иной вселенной (например, TES Travellers). Не забываем про игры для обычных Symbian-смартфонов, порты и J2ME игры: таким образом, библиотека получается весьма и весьма обширной!

Ну и не стоит забывать и о эмуляторах! С играми для NES и SMD, игровой потенциал N-Gage увеличивается в разы. Ещё бы дисплей был чуть-чуть побольше и хотя-бы классический TN, а не немного блеклый CSTN и было бы вообще идеально.
Помимо игр, на многих Symbian-смартфонах стояли некоторые приложения, которые были must-have для тех лет: например, файловый менеджер X-Plore с диспетчером задач, а также сторонний плеер LCG JukeBox (нормальный плеер с плейлистами появился только в Symbian 8). Иногда диспетчер задач не спасал и девайс приходилось перезагружать.

Давайте же глянем на игры подробнее. Как я уже говорил ранее, все 3D-игры были софтварными: т. е. вся трансформация, обработка освещения и растеризация треугольников с текстурированием и перспективной коррекцией (если была) происходила исключительно на ЦПУ. Поскольку FPU в процессоре не было, использовались fixed-point числа.
Переходим к гоночкам. Тут у нас аж две части Asphalt, ещё тогда, когда серия не стала донатным «фритуплеем». Asphalt 2 весьма занимательная игра с оптимальной производительностью, кое-где конечно бывают просадки, но в целом более чем играбельно. Как это игралось в нулевых? Сравните скриншоты с j2me-версией, которая напоминает гоночные 2.5D игры с SMD и NES (при этом, в ней есть 3D-элементы и игра использует M3G) и версию для Symbian/PSP/NDS, думаю тут всё и так будет понятно:


Однако большинство читателей наверняка интересуют игры в известных вселенных. Взять, например, полноценный порт первой Tomb Raider. Насколько я понимаю, оригинальная TR славилась тем, что изначально разрабатывалась с расчетом на легкое портирование между разными платформами (да чего уж там говорить, игру отреверсили и переписали с нуля как минимум два раза!). Первый Pentium неплохо тянул TR в софтваре, а N-Gage справляется явно не хуже:

Не забываем и про 2D! В некоторых телефонах Motorola, Siemens и Samsung использовались внешние 2D видеоускорители ATI Imageon. В их задачи входила обработка изображения с камеры, функции контроллера дисплея, а также аппаратное ускорение некоторых 2D-операцией: блиттинг, отрисовка линий, прямоугольников и возможно ещё каких-то примитивов. Однако N-Gage, даже без помощи аппаратного блиттинга был способен выдавать приемлемый FPS и уровень графики в 2D играх. Например, в Sonic, где у нас есть параллаксовые фоны с покадровой анимацией:

Ну и нельзя не вспомнить про уникальную игру на N-Gage: TES Travels Shadowkey, которая была разработана специально для N-Gage и поиграть в неё можно только на оригинальном N-Gage, пропатченном Symbian-девайсе или EKA2L1. Вообще, это полноценная RPG от первого лица, расширяющая лор игры в Хаммерфелле и как минимум из-за этого она достойна к ознакомлению. Игра стилистически заметно напоминает Morrowind, графика близка по уровню к PS2. FPS, конечно, колеблется в районе 10, из-за чего игру можно считать пошаговой… но тем не менее, полноценная FPS RPG на мобилках — это многого стоит!


Есть также примеры отличной графики и… очень низкой производительности. Если в TES ещё можно попробовать поиграть в пошаговой манере, то как насчет шутера от первого лица в 5-6 кадров? Речь, конечно же, о Call of Duty. Игра получилась очень красочной (с трушными полигональными ландшафтами и кучей пропов), но крайне медленно работало на желез N-Gage.


С разработкой своих приложений под N-Gage дела обстоят сложно. С одной стороны, в Symbian 6.1 ещё не было сертификатов, необходимости делать джейлбрейк и менять дату в устройстве. С другой стороны, для разработки под N-Gage требуется установка оригинального SDK для S60: приложения скомпилированные с помощью более свежих версий SDK работать не будут! Ни о каком Qt и речи не идёт и даже Carbide окажется слишком свежим для нашего устройства.
Оригинальный SDK можно скачать здесь [1].

Кроме того, SDK использует весьма своеобразную систему сборки, написанную на Perl, которая поддерживает только древнюю версию ActiveState Perl 5.6.1 аж от 2001 года и не работает на Windows 7/8/10! С отладкой на реальном устройстве тоже возникнут проблемы: для этого необходим относительно редкий FBus-кабель (который устанавливается вместо аккумулятора и подключается к ПК через RS232-преобразователь), либо использование программатора а-ля UFS HWK. Хотите отлаживать игру на ПК? Тут есть симулятор, прямо как при разработке под iOS: однако этих симуляторов целых два (для Visual C++ 98 и CodeWarrior) и с каждым возникают проблемы при сборке (то линкер крашнется, то разработчики забудут положить часть реализации системных либ для разных симуляторов в разные версии SDK). Хотите разрабатывать игры? С симулятором об этом можно забыть — отрисовка слишком медленная. Готовьтесь писать кроссплатформенный рантайм, который под Windows будет использовать GDI, а под Symbian нативное API для графики! Программа крашнулась на реальном устройстве и инструментов для отладки у вас нет? Ничего подробнее «приложение остановлено» вы не получите!

Ну а вишенкой на торте станет весьма своеобразный сабсет C++, который используется для написания приложений. Сама система полностью построена по принципам ООП, однако ради уменьшения размера выходного кода была полностью убрана поддержка исключений: предполагается, что программист будет вручную помещать объекты на стек (для Stack unwinding'а), полностью убран RAII как концепция с введением NewL и ConstructL, где L — означает Leave (т.е исключение может выбросить только функция-фабрика, а не фактический конструктор) и кодов ошибок, а также полное отсутствие поддержки глобальных переменных (но есть частичная поддержка констант — из преинициализированных данных, судя по всему, поддерживаются только строковые литералы). Да, никакого .data и .bss, что серьёзно усложняет портирование существующих приложений под Symbian. Спасибо что есть пакет для совместимости с POSIX и реализовали часть stdlib.
Дело улучшает кастомный SDK [2] для хоумбрю от энтузиаста из Германии. Он портировал SDL2, Lua и адаптировал тулчейн для работы в современных системах. Но лично для меня это не трушно — нужно использовать оригинальный SDK. :)
В целом — это одно из объяснений того, почему N-Gage стала относительно провальной как платформа для игр. Конечно в своё время был жив форум разработчиков Nokia, где были как официальные сэмплы от Nokia, так и мануалы от других разработчиков, однако базовые косяки при проектировании архитектуры платформы портили всю малину. Чего уж стоит обратная совместимость: для быстрой отрисовки графики предполагалось рисовать картинку в обход графического сервера, напрямую получая указатель на фреймбуфер. В начале фреймбуфера лежала структура с описанием разных пиксельформатов, которые были отнюдь нестандартными: 12-битный, 16-битный, 18-битный. Из-за этого, игры для старых версий Symbian могли давать артефакты на 9.x, например.

Написание полноценной, пусть и небольшой игры — материал для отдельной статьи. Есть идея написать кроссплатформенную игрушку, которая работала под разными платформами кнопочных девайсов: от Motorola ROKR на Linux и китайских клонах Nokia (E71 все помнят?), до эльфов на Siemens'ах и Motorola E398. Таким образом, мы рассмотрим особенности разработки под каждую платформу (например, на моторах был 2D-ускоритель ATI Imageon).
Вот таким был легендарный N-Gage. Девайс, конечно, действительно весьма своеобразный. С одной стороны это гениальное решение: взять смартфонную платформу и сделать на её базе игровую консоль. С другой стороны, с разработкой игр под N-Gage, или, например, прямыми функциями телефона были свои проблемы. Девайс получился немного сыроватым, но лично я считаю, что концепция имеет право на жизнь, но пока ни у кого не получилось сделать действительно массовый девайс. По моему мнению, нужно сохранить как можно больше N-Gage живыми. Сложно даже представить сколько потенциально оживляемых плат уехало в чермет…
А вам понравился N-Gage?
P. S.: Друзья! Время от времени я пишу пост о поиске различных китайских девайсов (подделок, реплик, закосов на айфоны, самсунги, сони, HTC и т. п.) для будущих статей. Однако очень часто читатели пишут «где ж ты был месяц назад, мешок таких выбросил!», поэтому я решил в заключение каждой статьи вставлять объявление о поиске девайсов для контента. Есть желание что-то выкинуть или отправить в чермет? Даже нерабочую «невключайку» или полурабочую? А может, у этих девайсов есть шанс на более интересное существование! Смотрите в соответствующем посте [3], что я делаю с китайскими подделками на айфоны, самсунги, макбуки и айпады!
Понравился материал? У меня есть канал в Телеге [4], куда я публикую бэкстейдж со статей, всякие мысли и советы касательно ремонта и программирования под различные девайсы, а также вовремя публикую ссылки на свои новые статьи. 1-2 поста в день, никакого мусора!
Автор: Богдан
Источник [5]
Сайт-источник PVSM.RU: https://www.pvsm.ru
Путь до страницы источника: https://www.pvsm.ru/java/389627
Ссылки в тексте:
[1] здесь: https://github.com/mrRosset/Symbian-Archive/blob/master/SDKs-Series.md
[2] кастомный SDK: https://github.com/ngagesdk
[3] соответствующем посте: https://habr.com/ru/articles/784786/
[4] Телеге: https://t.me/monobogdann
[5] Источник: https://habr.com/ru/companies/timeweb/articles/786212/?utm_source=habrahabr&utm_medium=rss&utm_campaign=786212
Нажмите здесь для печати.