- PVSM.RU - https://www.pvsm.ru -
Статья состоит из 2 блоков:
1. Выбор rail-to-rail input output (RRIO) операционного усилителя для широкого применения.
И для гиков:
2. Создание своего усилителя. Пример.
Цель 1. Первый блок
При создании мощного усилителя для трансивера [1], а также усилителя для сабвуферов серии SubAMP [2], встал вопрос измерения напряжения впритирку полок питания. А именно, к примеру, нам нужно измерять ток на малосигнальном датчике шунта на высоком плюсовом потенциале источника питания, т.е. сделать High Side Current Sense. А именно на самом плюсе, причем питание операционных усилителей не должно его превышать.
Есть уже готовые датчики тока, но мы извратники, хотим дешево и оригинально.
С измерениями у земли все понятно- существует куча особо операционистых усилителей, предназначенных для этого, типа lm124 (lm324), 2904, компараторов 199, 139, 311 и им подобных с p- канальной дифференциальной парой на входе. Старые аудиооперационики типа tl07x и 08x, jrc4558,ne5532 имеют ту же входную p-пару для предпочтительной работы около земли/минуса питания операционного усилителя.
А знающим известно, что такая пара не может измерять сигналы близко к положительному собственному питанию из-за запаса напряжения, необходимого для работы токовых зеркал. К тому же p-channel транзисторы менее высокочастотны. Спасает включение опера с n-канальной парой на входе, но и это не полный выход из нашего положения. Для полной кошерности, чтобы работать с любым уровнем сигналов около минуса и плюса полок питания операционного усилителя, надо использовать rail-to-rail входную структуру. А чтобы уж совсем хорошо было, надо использовать эту фишку по входу и выходу, т.е. юзать RRIO OPA -rail-to-rail input output. Есть еще другое название для заманухи -beyond the rail OPAmp.
N-канальная пара внутри большинства ОУ работает в диапазоне от чуть выше минимума до чуть выше максимума питания (но не всегда), а p-канальная от чуть ниже максимума до чуть ниже минимума. В итоге, обьединяя их токово, имеем полное перекрытие по входу не только всей шины питания операционного усилителя, но и на примерно 0,2-0,5V за его пределы в обе стороны, до срабатывания защитных ограничителей по лапкам микрушек.
Найти n-канальные по входу операционные усилители с наскока не удалось. Пошерстив еще, удалось отрыть при беглом осмотре древнючие AD826 и LM360/361, да к тому же они не rail по входу. В общем, разочаровались. А это как всегда у нас приводит к созданию чего-то своего (см. цель 2).
Зато натолкнулись сразу на райл ту райл оперы. Но мы маньяки-извращенцы, нам и этого мало. Многие просмотренные усилители rail to rail структуры имели много изьянов. Если посмотреть даже на официальные графики в даташитах, то все становится еще хуже. У многих при большом сигнале закладывает уши заворачивает фронт щелчком после выхода с полок питания, на так называемом восстановлении. Эта бяка у очень многих даже дорогих оперов встречается, а хочется чего-нибудь линейного и правильного. И у некоторых даже фронты прямоугольника передаются ломаной линией. Это вообще никуда не годится.
Также не все приятно с нагрузочной способностью и входными токами/дрейфами. По-настоящему rail-to-rail структуру можно встретить редко. Даже из дорогих оперов фирмы AD почти все не понравились, то одно у них, то другое, и цена большая.
Пришлось посидеть-повыбирать, какие из RRIO OPA имеют терпимые параметры для широкого и качественного применения. Как ни странно, нормальных оказалось мало. Причем выбирались они исключительно по даташитам, и даже там глюков полно. Не говоря уж о реальной работе, в ней все казусы проявляются в полную силу.
Ниже приводится список качественных операционных усилителей с комментариями, достойные, на наш взгляд, внимания для rail-to-rail применений, и он будет дополняться по ходу наталкивания на них.
LMV931,932 1.8-5V, все хорошо, но питание низкое
LMV981,982 1.8-5V, корежит форму, питание низкое
NCS7101, 1.8-10V, аналогичный LMV931, питание лучше
NCS2001,2002 0.9-5V, аналогичный LMV931
MC33201/2/4 0.9-12V, аналогичный LMV931, питание лучше, Input Offset Voltage большой, ок. 10мВ
LM7301- 1.8...32V, кривоват прямоугольник, single only
ADA4092 3-30V, засечки на прямоугольниках
MC33201 1.8...12V, кривоват прямоугольник
AD8614/8644 5-18V, unprotected 70mA out
При анализе огромной кучи даташитов заметили интересный момент- чем симметричнее и красивее на вид схематическая структура операционного усилителя, тем все его параметры правильнее, предсказуемее и аналогично красивее. А также параметры у разных краев питания, ограничений и нагрузок получаются симметричными и красивыми, понятными по графикам и поведению.
Вот например, когда смотришь на это

Что в голове сразу представляется? Правильно, глаза б мои его не видели, да еще на трезвую голову. Это кусок одного широко известного опера.
А на это уже приятно посмотреть, и параметры достаточно хорошие. Это AD8614_8644.

А что делать, если руки чешутся?
Правильно!
Вот не удержался и решил сделать операционный усилитель мечты, да еще не просто rail to rail, а fully differential rail to rail operational amplifier FD RRIO OPA с полностью дифференциальным райл ту райл входом и выходом, такой высококачественный операционный усилитель широкого применения по всем правилам микросхемного проектирования.
Такие усилители можно использовать и как обычные одновыходовые OPA (ОУ), не заюзав 1 из выходов, и как нормальные дифф. усилители для почти всех современных трактов аналоговой техники. Полностью дифференциальная структура сейчас все чаще нужна даже в обычной обработке сигналов, не говоря уже про АЦП и ЦАП, которые почти все имеют полноценную дифф. структуру. Этот тип передачи сигналов позволяет частично устранить помехи в шинах и оптимизировать токопередачу и токотеки. В конце концов USB, SATA, PCIE, а также вся оперативная память, которую видел, и скоростные шины в компьютерах и серверах, имеют дифференциальную структуру. Ну или двухфазную, на звук и свет товарищей нет. Дифференциальное улучшение касается всех электрических систем, аналоговых и цифровых. Ведь кроме токов и напряжений там ничего нет.
Дальше пойдет исключительно радиоэлектронная порнография.
Как в хорошей цифровой технике крайне важно наличие качественной тактовой (временнОй) опоры, так здесь в аналоговой технике важно наличие неуплывающих от разных воздействий [3] источников стабильного тока и/или напряжения. Хотя бы чего-то одного. Другое можно сделать с помощью этого [4].
Сначала создал стабильный температурно-скомпенсированный источник стабильного напряжения- BandGap в обиходе, так называемый источник напряжения с диапазонным зазором, то бишь стабилизатор 1v с копейками напряжения с компенсацией в некотором температурном участке одного уплывания приплыванием другим.
Тут ничего сложного нет, достаточно переделать его из известных решений и допилить под наши нужды. Схемы валяются в shared инете.
Весь усилитель питается от него через токовые мультитрансляторы и зеркала. Его стабильности и шумы определяют работу и по большей части температурные стабильности всего усилителя в целом.
Естественно, эта версия BandGap исследована в широком температурном & разбросном диапазоне и показала хорошую стабильность. На него теперь можно по-настоящему опереться.
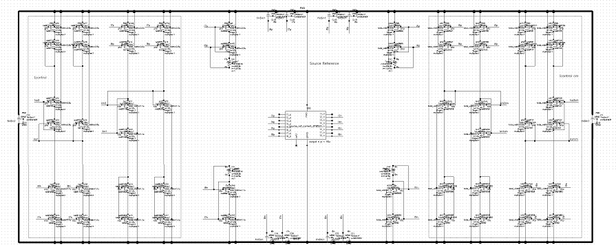
Получилась вот такая схема. Как говорится, на лицо ужасная, но добрая внутри. Но в ней сложно упростить.

Она содержит некоторую кучу токовых трансляторов для размножения и питания увеселителя и собственно элемент BandGap (выделен пунктиром).
Токовые мультипликаторы и повторители в ассортименте.

Может быть, в следующих статьях расскажу, что и как работает в этих усилителях, и для чего нужны какие элементы.
Затем просчитал структуру входного полностью дифференциального каскада с минимизацией шумов и rail to rail входом, и с полностью симметричной структурой.
Для минимизации шумов использованы крупные транзисторы и большие длины каналов. Большая длина канала полевого транзистора хоть и уменьшает его усиление (крутизну для корректности), но зато уменьшает градиент потенциала по длине транзистора, что также уменьшает вероятность возникновения грязевых шумов типа pop corn и просто облегчает работу транзистора.

Это подобно матрице в фотоаппарате, где большие крупные пикселы при не большом разрешении кропнутой матрицы, скажем, 3Mpix, дает качество изображения лучше, чем мелкие шумные пылинки в любой 7-14 Mpix камере. Не видел такую, которая не сильно шумит при малых размерах матрицы, и при диком разрешении в ней.
А при крупных пикселах в топовых проф. матриц, да и не очень, изображение приобретает попиксельную детализацию. Чего не скажешь о современном многомегапиксельном мыле. До сих пор не понимаю, зачем фотик 14Mpix, если на итоговом фото все все равно размыто. Прихожу к выводу, что правильной является не величина разрешения снимка (это всего лишь количество, которое можно нарастить), а величина самого пиксела, его размеры. А пиксель в современных фотоаппаратах- это по сути транзистор, точнее- фототранзистор, но это сути не меняет. Поехали дальше.
Затем прикинул и реализовал структуру предоконечного каскада с балансом токов и оконечного полностью дифференциального каскада. Единичная полоса частот получилась в районе 50 мегагерц, и причем легко, даже на крупных 180nm транзисторах. Для стабильности этой полосы и запаса по фазе в топологии предусмотрены защитные развязывающие кольца, экраны и внутренние карманы.

В процессе пришлось изучить, как лучше делать folded cascode и просто хорошие каскодные источники тока, какова их устойчивость и как делать качественные зеркала и многоканальные правильные устойчивые трансляторы тока (каскоды, резисторы в истоках).
Что касается оконечника, то здесь особо не вымудрствовались, никаких switched capacitor решений, класса I [5], вольтдобавок E, и прочих современных улучшалок. Только махровый Class AB. Для питание имеено этого усилка составляет 3.0-3.6V, т. к. делал на 3.3-вольтовой LV библиотеке. Другой под рукой просто не было. А так, в мире есть и 140V оперы LTC6090, и, возможно, и более высоковольтные. Допустимое напряжение- проблема лишь библиотек, из которых сделано устройство. Хотя всегда можно замутить вольтдобавку или конверсию, если не хватает напруги.
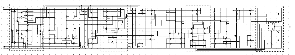
Полная схема ядра усилителя без обвески и необходимого огорода приведена ниже.

Тестирование проходило на пыточном столе, который по этическим соображениям здесь не показан. В общем- это всевозможный набор идеальных источников/нагрузок/воздействий, которые только себе можно представить даже в страшном сне. Пока он выдержал все, был изготовлен в микросхеме, и подтвердил свои параметры.
Проверял макет по многочисленным параметрам, на устойчивость к технологическим разбросам и вероятностным разбросам. Вот не лень, а не лень, когда делаешь для себя и с любовью.
Каждый блок перед вставкой его в блок уровнем выше тестировался отдельно и в системе.
До этого момента макет был умышленно подтянут на нужные входные режимы с помощью внешних источников. Все настраивалось по самому главному принципу- получить максимально нужные показания без общей обратной связи, то есть получить структуру изначально максимально линейной, и только затем вводить внешнюю обратную связь, для исследования и окончательных замеров. Я думаю, тут никто спорить не будет, это постулат всей линейной электроники и аналоговой схемотехники.
До этого такие тувылзы писывало, пока не начал следовать главным принципам конструирования. Аккуратность, красота и лаконичность- наши лучшие друзья. И все ничинает работать приятно, потому, что становится понятно. Повышается надежность систем, потому, что видишь каждый шаг, он ясен и понятен.
И напоследок залепил ему третим входом CMFB, когда все остальное стало прекрасно работать. Тогда усь заклокотал как надо, прямо аж радость берет!
Кто не в курсе, cmfb -это common mode feedback, устаканивающая все выходы операционного усилителя относительно заданной на третий вход CM опоры. Это такая отрицательная обратная связь для средней точки усилителя. Иначе откуда он будет знать, относительно какой линии давать размах на выходах усилителя?
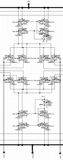
Вот это и есть тот самый третий вход с байпассирующим кондюком, нужный, как правило, для общей линии всех устройств тракта до усилителя, после, и его самого. Что-то типа такого

Уровень общей точки (или, по-другому- виртуальной земли, средней точки, common mode) составляет обычно половину от полок питания, но может быть и другой. И еще может быть не только потенциальной, но и токовой, какая нам разница- напряжение, это результат тока на резисторе, следствие тока, и мы всегда получим напряжение, когда захотим.
Вот система continious time voltage CMFB этого усилителя.

Она подключается к двум его выходам и воздействует своей репутацией на эрогенную точку в виде двух входов параллельного усилителя, подключенного к выходному каскаду. Что-то типа знакомых shunt regulator серии TL432.
CMFB -это по сути усилитель в усилителе, второй контур, который должен быть быстрее основного для обеспечения усилителю глобальной устойчивости. Кстати, все, о чем пишу здесь- вещи многолетней давности, захотелось все свести воедино, и самому поглядывать, вспоминать. Такой экспресс-обзор некоторых нужных вещичек.
Итоги цели 2
Параметры, получившиеся на этой библиотеке, не суперские, зато стабильные, почти такие, какие хотелось получить, к тому же их всегда можно мультиплицировать на большие мощноститоки. Да, забыл сказать, этот опер планировался для внутренних отделочных работ в микросхеме, не для внешки. Для внешки сделаны другие и отдельно. Они кратко описаны чуть ниже.
Краткие параметры получившегося OPA.
FEATURES OPA:
Fully Differential Opamp
Supply Voltage Range: 3 V… 3,6 V
Unity Gain-Bandwidth: 54 MHz
Slew Rate: 129 V/us
Output Current: up to 1 mA sink/source @each channel
DC Voltage Offset: 1.2 mV max
Supply Current: 0,87 mA
Open Loop Gain: 74 dB
Этого уся вполне хватает для работы внутри микросхем, и он для этого родился. Output Impedance его в районе 500 Ohm нисколько не смущает микросхемных соседей. Для особо ретивых есть драйверы с низкоомным импедансом.
Внутрисхемные электронные изделия, как оказалось на практике, делать несложно, сам аж удивился, приведу до кучи кое-что еще.
Обкатаны нанотоковые 1.8 и 3.3- вольтовые устройства, а также switching cap системы, track-hold, ADC, sc comparators, delay, eq,linear phase filters, PGA,DAC,charge pump, vco-pll, mixers, rf pa, limiting amp, multiphase pwm и еще куча всякого мусора. Все в принципе оказалось просто.
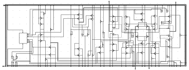
Для выкидывания сигнала наружу, чтобы прокачать ножку PADа микросхемы и емкость внешней нагрузки, придумана умощненная версия этого усилителя, а также специальные аналоговые буферы на ее основе.

Вот еще помудренее, детишек пугать.


Эти буферы все не очень красивые, они делались еще до осинения и явно в бреду. У них полоса в районе 400 MHZ и устойчивая работа на емкостную нагрузку.
В общем, аналоговая техника не так страшна, как ее малюют.
PDF остальных готовых девайсов приложу, если кому понадобится.
PS. Спасибо за внимание.
Приложение: самодельный простой операционный усилитель
diybass.com/wp-content/uploads/2013/FD-RRIO-OPA.pdf [6]
Автор: CrystalFM
Источник [7]
Сайт-источник PVSM.RU: https://www.pvsm.ru
Путь до страницы источника: https://www.pvsm.ru/e-lektronika/38535
Ссылки в тексте:
[1] мощного усилителя для трансивера: http://supersdr.com/info/rf-fet-amp/low-cost-high-reliability-broadcast-1kw-rf-amplifier/
[2] SubAMP: http://www.subamp.ru/
[3] разных воздействий: http://subamp.ru/blog/how-correctly-to-do-tests/how-correctly-to-do-tests/
[4] этого: http://diybass.com/wp-content/uploads/2012/11/506426_zakon-oma.jpg
[5] класса I: http://subamp.ru/blog/acessories-and-instruments/class-i-power-amplifier-modulator-design/
[6] diybass.com/wp-content/uploads/2013/FD-RRIO-OPA.pdf: http://diybass.com/wp-content/uploads/2013/FD-RRIO-OPA.pdf
[7] Источник: http://habrahabr.ru/post/186402/
Нажмите здесь для печати.