- PVSM.RU - https://www.pvsm.ru -

Ученые при помощи 3D-печати разработали функционирующие яичники, с помощью которых стерильная мышь смогла родить здоровых мышат. Биопротезы яичников состоят из пористого каркаса из желатиновых чернил, который заполнен фолликулами — крошечными содержащими жидкость мешочками, где хранятся незрелые яйцеклетки. С их помощью удалось увеличить производство гормонов и восстановить фертильность у мышей, что и было конечной целью исследования.
В тестах на мышах, у которых один яичник хирургически удаляли, ученые обнаружили, что имплантаты подключались к системе кровообращения в течение недели и продолжали выпускать яйцеклетки естественным путем через поры, встроенные в желатиновые структуры. Из семи мышей, которые спарились после установки биопротеза, трое родили здоровых мышат. Впоследствии они смогли питаться молоком матери и получить здоровые пометы.
Чем эта работа отличается от других трехмерных печатных структур? В первую очередь, это каркас протеза и материал, из которого его создали. Он представляет собой желатин — биологический гидрогель, полученный из разрушенного коллагена, который безопасен для использования на людях.
Существует ряд условий, при которых можно создать удачный биопротез, который не будет отторгаться живым организмом. Он должен быть сделан из органических материалов, которые были бы при этом достаточно жесткими, чтобы биопротез можно было успешно имплантировать, но в то же время достаточно пористыми, чтобы естественно взаимодействовать с тканями тела мыши.
Большинство гидрогелей очень слабы, так как они состоят в основном из воды и часто разрушаются сами по себе. Но исследователи опытным путем вычислили температуру желатина, при которой он не разрушается и способен формировать несколько слоев.
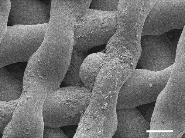
Трехмерная печать осуществлялась путем наложения волокон. Таким образом можно контролировать расстояние между волокнами, а также угол продвижения между слоями, что позволяет конструировать протез разного размера и формы. В лаборатории исследователи называют эти трехмерные печатные структуры «подмостками» и сравнивают их с лесами, которые на время ремонта окружают здание.
Решетки биопротеза яичников напечатали из пластин желатина. Размер и положение отверстий в структурах тщательно контролировали, чтобы можно было удержать десятки фолликулов и позволить кровеносным сосудам соединяться с имплантатами. Зрелые яйцеклетки затем высвобождались из имплантатов, как это происходит при нормальной овуляции.

Эта геометрия яичников прямо или косвенно организовывает гормональную поддержку незрелых яйцеклеток, окружая их. Это первое исследование, которое демонстрирует, что архитектура протезов влияет на выживание фолликулов. Как утверждают исследователи, этого нельзя было бы достигнуть без использования трехмерной печати.
Трехмерный печатный каркас имплантируется мыши, и его поры могут использоваться для оптимизации процесса «вклинивания» фолликул или незрелых яйцеклеток в каркас. Протез помогает выжить незрелым яйцеклеткам и клеткам, которые вырабатывают гормоны. Открытая структура также позволяет клеткам созревать, овулировать и формировать кровеносные сосуды внутри имплантата, благодаря чему гормоны циркулируют внутри кровеносной системы мыши и запускают лактацию после рождения.
«У каждого органа есть “скелет”. Мы узнали, как выглядел “скелет” яичника и использовали его в качестве модели для имплантации биопротезов яичника», — отмечает профессор акушерства и гинекологии Тереза Вудрафф (Teresa Woodruff).
Очевидно, что печать биопротезов для мышей — не финальная стадия исследования. Биопротезирование яичников должно помочь восстановить фертильность и выработку гормонов у молодых женщин, чья репродуктивная система была повреждена в результате лечения рака. Часто у таких женщин яичники перестают функционировать должным образом, и пациенткам требуется регулярная заместительная гормональная терапия.
Химиотерапия и высокие дозы облучения, используемые при лечении рака, могут уничтожить некоторые или все яйцеклетки женщин, подвергая их риску бесплодия и ранней менопаузе. И в то время, когда врачи добились определенных успехов в восстановлении фертильности с помощью замороженной ткани яичников, биопротез может потенциально помочь тем, для кого пересадка не подходит, а именно совсем молодым девушкам и девочкам.
Соавтор исследования Моника Ларонда (Monica Laronda) отметила, что биопротез яичника может помочь раковым больным, чьи яичники повреждены настолько, что требуется гормональная терапия для запуска процесса полового созревания.
Ученые и раньше создавали искусственные яичники для мышей, но это первая работа, в которой использовалась технология 3D-печати. Однако пока неясно, будет ли такой подход так же эффективен для людей, как и для мышей: фолликулы у человека намного больше и растут быстро до тех пор, пока не станут видны невооруженным глазом.
Другие эксперименты на животных, проведенные почти десять лет назад, намекали на то, что женщины, которым пересадили яичники в более позднем возрасте, испытывают не только восстановление фертильности, но и другие положительные эффекты. В 2010 году ученые из женской клиники Като обнаружили [1], что после пересадки яичников самки мышей живут дольше, а у людей эта процедура побуждает женщин зрелого возраста, обычно неактивных, искать свою вторую половинку и заводить детей. Исследователи признали, что потребуется провести еще много работы для оценки воздействия на женщин.
Достижения трехмерной печати уже трансформировали некоторые области медицины, позволяя врачам делать детали, которые непосредственно могут быть имплантированы пациентам. В 2016 году южнокорейские хирурги напечатали титановую пяточную кость для человека, у которого была удалена опухоль.
Тем временем исследователи из Северной Каролины объявили [2], что сделали уши, челюсти и скелетные мышцы с помощью трехмерных печатных структур, заполненных живыми клетками. Другие группы ученых напечатали [3] сосудистые сети, которые будут жизненно важны для создания больших синтетических органов в лаборатории.
doi: 10.1038/ncomms15261 [4]
Автор: krasandm
Источник [5]
Сайт-источник PVSM.RU: https://www.pvsm.ru
Путь до страницы источника: https://www.pvsm.ru/biotehnologii/255612
Ссылки в тексте:
[1] обнаружили: https://www.eurekalert.org/pub_releases/2010-06/esoh-otr062810.php
[2] объявили: http://www.nature.com/nbt/journal/v34/n3/full/nbt.3413.html#videos
[3] напечатали: https://www.ncbi.nlm.nih.gov/pubmed/24860845
[4] 10.1038/ncomms15261: https://www.nature.com/articles/ncomms15261
[5] Источник: https://geektimes.ru/post/289287/
Нажмите здесь для печати.